EasyManua.ls Logo

AGA eR7 - 12 Circuit Diagram

AGA eR7
40 pages
Print Icon
To Next Page IconTo Next Page
To Next Page IconTo Next Page
To Previous Page IconTo Previous Page
To Previous Page IconTo Previous Page
Loading...
29
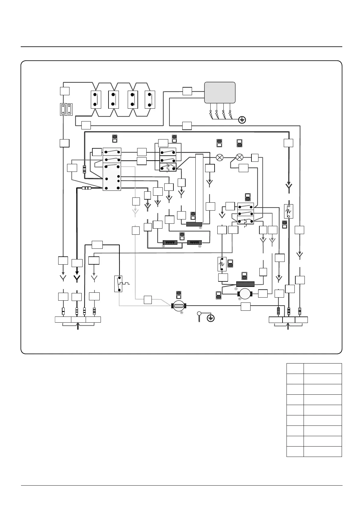
12. Circuit Diagram
MTB
N
N
N
3/12
4/12
4/12
6/12
6/12
9/12
12/12
8/12
10/12
5/12
7
/
12
2/12
B
A
Y
BR
BL
Y
BL
BL
BL
BL
BL
BL
BL
BL
BL
BL
V
V
R
Y
R
R
R
PK
BL
BL
BL
BL
4a
4a
4b
4
4
1
4
2
S1
P2
P1
S2
BK
BR
PK
BL
BR
A
A
A
D
E
F
G
H
I
K
L
N
M
O
P
P5
5
P6
6
1
2
1/12
GR
GR
11/12
BL
E
N
BR
C
BR
GR
BK
GR
BK
BR
L1 L2
L(A)
L3
GR
MTB
10/12
BL
BL
BL
BK
V
R
2
P6 6
5
P5
A. Gas Tap Ignition Switch
B. Spark Generator
C. 2 Way Terminal Block
D. Grill Regulator
E. Top Oven Thermostat
F. Top Oven Neon
G. Bottom Oven Neon
H. Bottom Oven Thermostat
I. Top Oven Overheat Thermostat
J. Bottom Oven Heat Thermostat
K. Top Oven Element Thermal
Switch
L. Dual Grill Element
M. Bottom Oven Element
N. Bottom Oven Circulation Fan
O. Grill Cooling Fan
P. Grill Cooling Fan ‘Run On’ Thermal
Switch
MTB Master Terminal Block
DESN 517531
Code Colour
BR
Brown
BL
Blue
GR
Grey
BK
Black
Y
Yellow
V
Violet
PK
Pink
R
Red

Other manuals for AGA eR7

Related product manuals