EasyManua.ls Logo

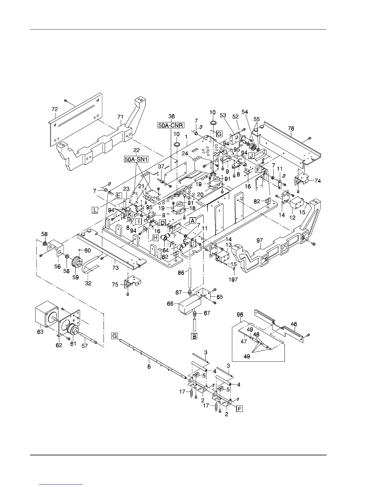
AGFA MSC 100 - Positivbühne; Exposure Table; Plateau Dexposition 50 A-0102 (1;2)

AGFA MSC 100
378 pages
Print Icon
To Next Page IconTo Next Page
To Next Page IconTo Next Page
To Previous Page IconTo Previous Page
To Previous Page IconTo Previous Page
Loading...
Papierlauf / Paper Drive / Avance papier
4.18
02.11.98 /PN 8042
AGFA MSC 100
Positivbühne / Exposure Table / Plateau d’exposition 50A-0102 (1/2)
85060a74.cdr

Table of Contents

Related product manuals