EasyManua.ls Logo

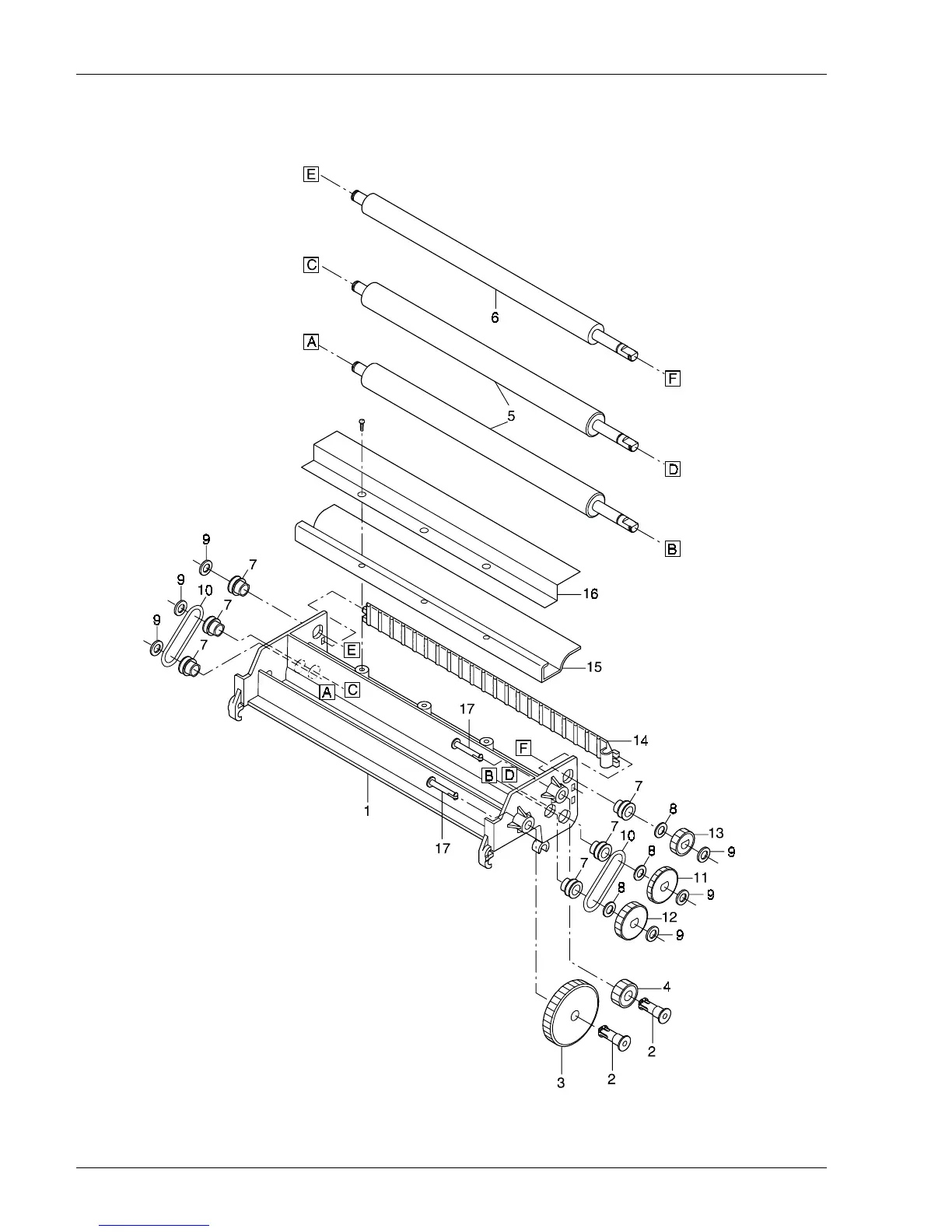
AGFA MSC 100 - Squeeze Unit; Essorage

AGFA MSC 100
378 pages
Print Icon
To Next Page IconTo Next Page
To Next Page IconTo Next Page
To Previous Page IconTo Previous Page
To Previous Page IconTo Previous Page
Loading...
Papierprozessor / Paper Processor / Développeuse papier
5.48
28.07.99 /PN 8042
AGFA MSC 100
Abquetscheinheit / Squeeze Unit / Essorage 50P-0809
85060103.cdr

Table of Contents

Related product manuals