EasyManua.ls Logo

AGFA MSC 100 - Page 67

AGFA MSC 100
378 pages
Print Icon
To Next Page IconTo Next Page
To Next Page IconTo Next Page
To Previous Page IconTo Previous Page
To Previous Page IconTo Previous Page
Loading...
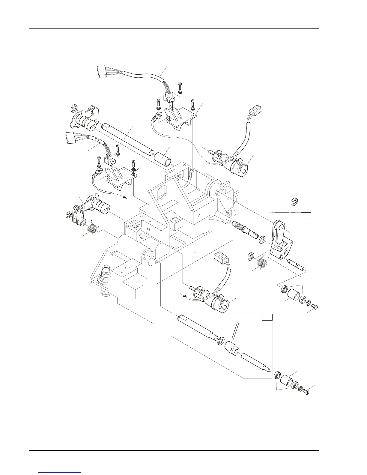
Filmlauf / Film Drive / Avance film
3.32
16.06.99 /PN 8043
AGFA MSC 200 / MSC 100
8.8506.5000.2 Negativbühne / Negative Carrier / Porte-négatif
85060008.CDR
46
50
52
53
41
42
43
42
40
44
45
48
49
47
51
51
43
47
46
41
x

Table of Contents

Related product manuals