EasyManua.ls Logo

Akai GX-F51

Akai GX-F51
133 pages
To Next Page IconTo Next Page
To Next Page IconTo Next Page
To Previous Page IconTo Previous Page
To Previous Page IconTo Previous Page
Loading...
-
t'..,
i
?;
.....
0
-l
i:;::
::l
(IQ
0::,
g
~
0
it
~
I
I
I
I
I
I
I
ei
l
+
-
--(5
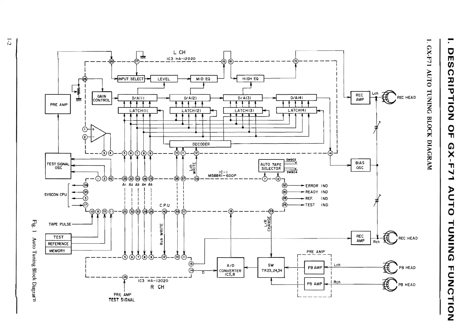
L
CH
IC3
HA-12020
-----
IC-I
M58841-600f'
r - I I I I
211421-
---(25}
132}
(~OJ
12All261-
- -
-1381
(371-
-(~91-
--
- - - -
[
--@
- - .
---
1 I I I I I I
SYSCON
CPU
~
I I I 1
1
I : :
~
111
I
11
--@
I I I I I C.P.U : :
L1f,
r--r
11
t1--r-1
,•-
-
TAPE PULSE
r------s!
w
l-
ei:
31:
.t:
..,
er
:
~
I @
L-----1-,c,e~~~O---"
PRE AMP
T~ST
SlCNAL
---1181--
--,
I
I
I
I
I
I
I
I
I
I
I
I
I
I
I
I
--
I
- - - - --,14}...J
__
,
7)--(12J7
@ ERROR
IND
@)
.. READY
IND
@)---
REF.
I
ND
@ TEST
IND
~--J
w
cr<.!)
,z
-1<
:c
u
I
I
Leh
I Reh
-I
-
I
L
____
_j
Leh C
·
REC
HEAD
Reh
·C
REC
HEAD
PB
HEAD
-
C')
~
",:j
...._.
-
>
C:
>-3
0
""'1
C
z
-
z
C')
0,
t""'
0
(")
~
0
-
>
C')
:;r:,
~
-
.
C
m
en
(')
::IJ
-
,,
~
-
0
2
0
.,,
C)
)(
I
.,,
-..,J
...
)>
C:
~
0
~
C:
2
-
2
C)
.,,
C:
2
(")
~
-
0
2

Related product manuals