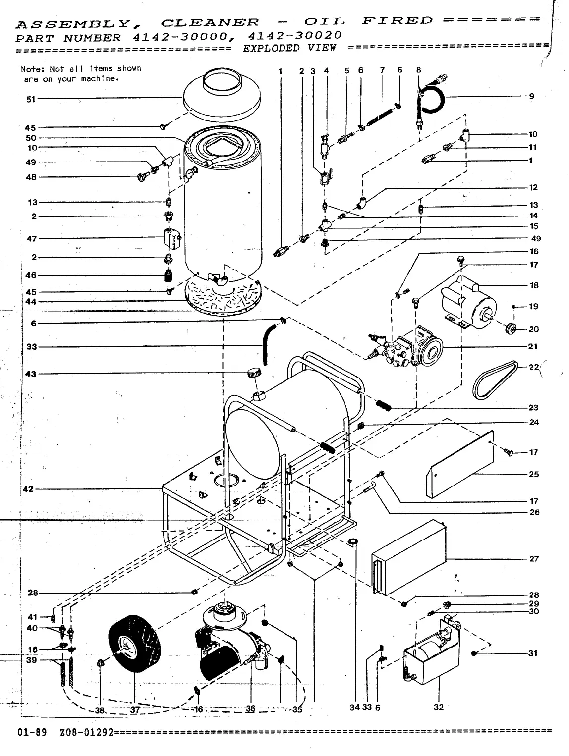
jASSEMBLY, CLEANER -OIL FIRED=======
PART NUMBER 4.142-30000, 4.142-30020
============================== EXPLODED VIEW ============================
-Naort::o~Oyto:rllmalcthelmnse.Shown
e 1 2 3 4 5
lJ6 7 j6 t~~~ 8 ~ I
51 ) 9
.
/
/ /"
45 I:Y'" / I
/
50 1.-' 11 10
10
==:::==:::~ '..~ //>-/ #): 11
/' / ~- I
49 I / // ~'.I 1
48 I I r /"
I I //
V .I}.. / ~ /'" 12
13. . ~ /.c///f:- ff //~/ "13
2 , / ~14
t;"~ ~/ ,:::' :~:/
., ' / 15
47 j!' .-' / ~
.,~. " ,/ ,//.:_//-"49
2 (f; V / /
! :~~~~== 16 i a / /
~ /~~:=='W; 17 i 46. / / /
145 ., ~ /// I 18
44 """ / / r,-"c
t ~c.."~ ~-~
I ~ 1--19
, I I I. '
6 ' I I
~ '"@-20
21
'221
\\ !
23
24
~17
25
17
26
27
j ;...(( / -.'-..""- /9 ~~
I 41 -j I I 30
'40
~\I -,
16 .~..
~ :~ =1'39"'11~~rv// ., 31
,
, -
J .-
--:7:- ( :' -38_=.=-F,:,=-':::::""-:-~6:~~=:::~ -':'-;~35 " 34336 32
01-89 ZO8-01292=========================================================================