EasyManua.ls Logo

ALKOTA 4142 - Page 37

Default Icon
45 pages
Print Icon
To Next Page IconTo Next Page
To Next Page IconTo Next Page
To Previous Page IconTo Previous Page
To Previous Page IconTo Previous Page
Loading...
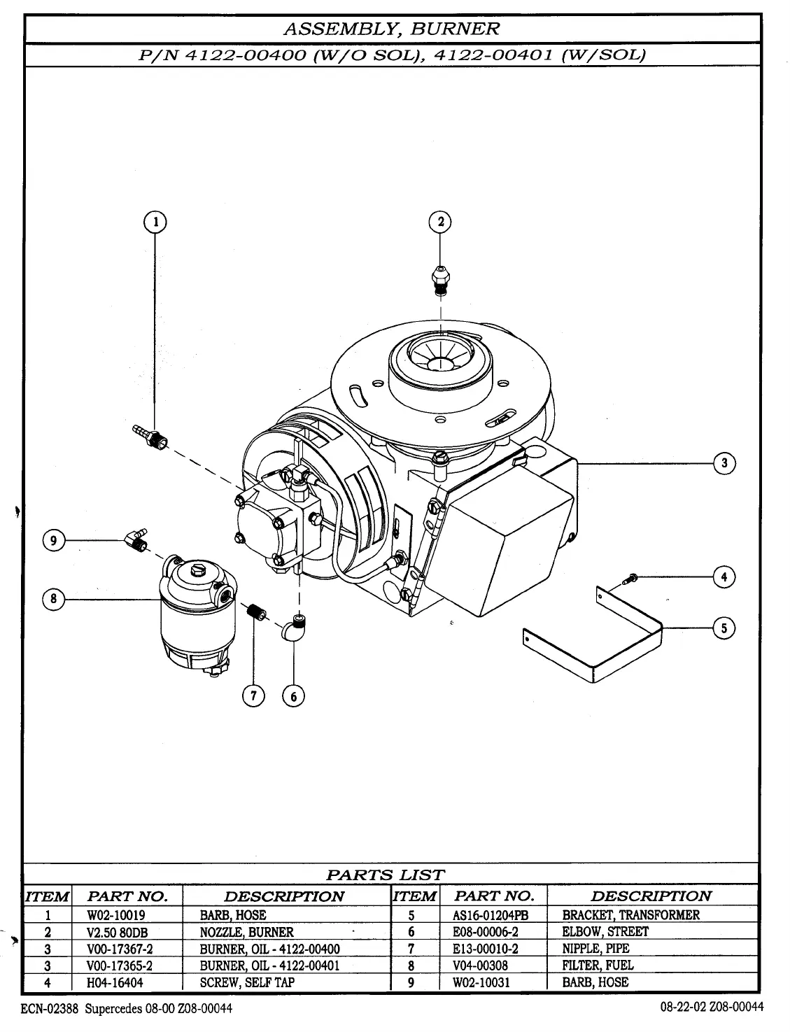
ASSEMBL Y, BURNER
P/N 4122-00400 (W/O SOL), 4122-00401 (W/SOL)
1
~
"
"
"
"
~
0--~~"'---~
"-
8
PARTS LIST
ITEM PART NO. DESCRIPTION ITEM PART NO. DESCRIPTION
1 W02-10019 BARB HOSE 5 AS 16-0 1204PB BRACKET TRANSFORMER
2 V2.50 800B NOZZLE BURNER 6 EO8-00006-2 ELBOW STREET
~ 3 VOO-17367-2 BURNEROIL-4122-00400 7 E13-00010-2 NIPPLE PIPE
3 VOO-17365-2 BURNER OIL -4122-00401 8 V04-00308 FILTER FUEL
4 H04-16404 SCREW, SELF TAP 9 W02-10031 BARB, HOSE
ECN-02388 Supercedes 08-00 Z08-00044 08-22-02208-00044

Related product manuals