EasyManua.ls Logo

Allen-Bradley 2098-DSD-020X-DN - Page 163

Allen-Bradley 2098-DSD-020X-DN
194 pages
Print Icon
To Next Page IconTo Next Page
To Next Page IconTo Next Page
To Previous Page IconTo Previous Page
To Previous Page IconTo Previous Page
Loading...
Publication 2098-IN003E-EN-P — April 2004
Interconnect Diagrams B-9
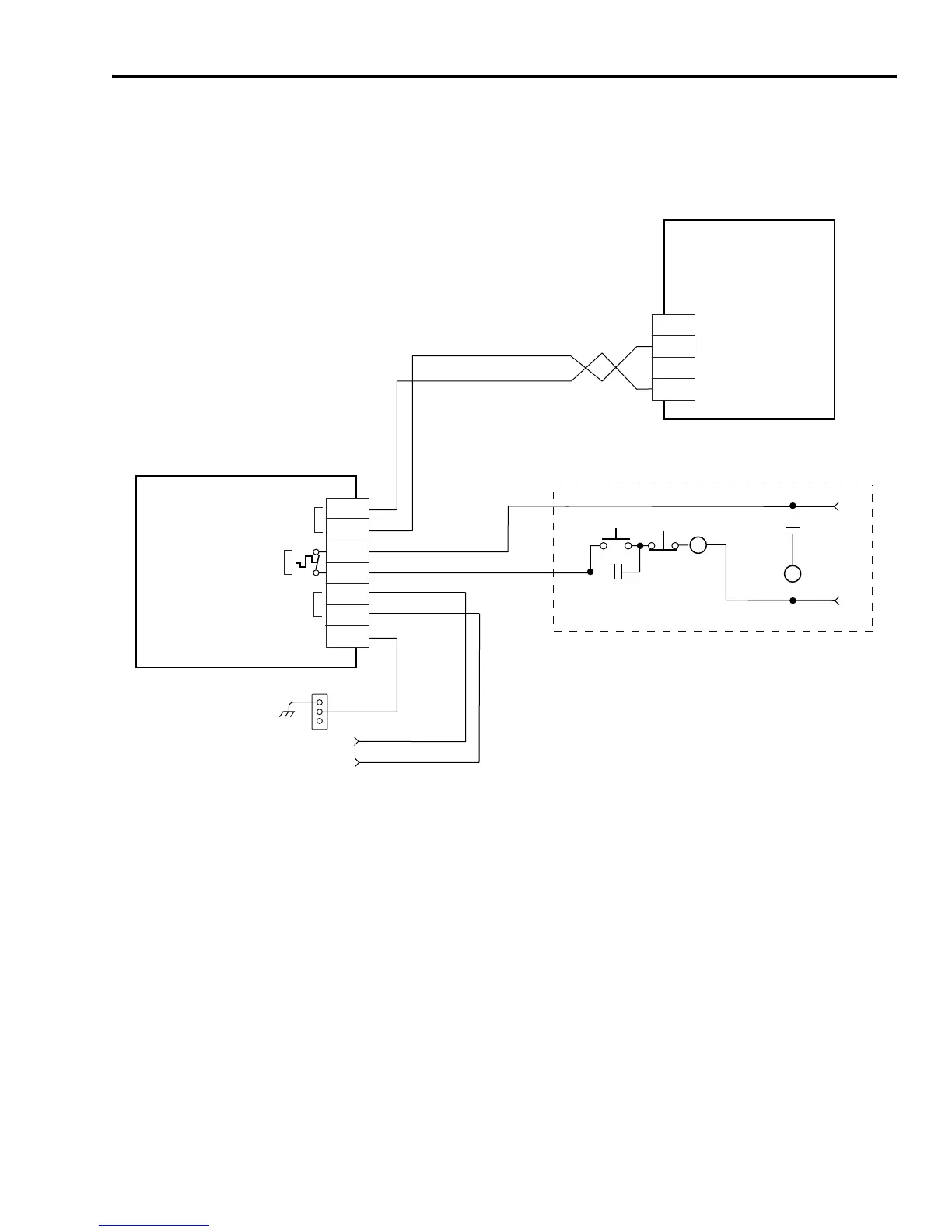
In the figure below, the Ultra3000 (2098-DSD-HV150x-xx or
-HV220x-xx) is shown wired to a Bonitron shunt module.
Figure B.9
External Passive Shunt Module Interconnect Diagram
TB2
1
2
3
GRN
115VAC
Fan
RES
TEMP
Alarm
1
2
3
4
5
6
7
External Passive Shunt
Resistor Connections
Bonitron
Shunt Module *
M3575R-Hxxxx
Ultra3000
Digital Servo Drives
2098-DSD-HV150x-xx
or
2098-DSD-HV220x-xx
Bonded Cabinet
Ground Bus*
115V ac
Fan Power*
STOP*
START*
CR1*
CR1*
CR1*
M1*
Refer to Attention statement (Notes 10, 11)
120V ac
50/60 Hz
* INDICATES USER-SUPPLIED COMPONENT
Shunt Wiring Methods:
Twisted pair in conduit (1st choice).
Shielded twisted pair (2nd choice).
Twisted pair, 2 twists per foot min. (3rd choice).
Maximum Length: 3.05 m (10 ft).

Table of Contents

Related product manuals