EasyManua.ls Logo

Almex T4PGF1 - Electrical Drawings

Default Icon
30 pages
Print Icon
To Next Page IconTo Next Page
To Next Page IconTo Next Page
To Previous Page IconTo Previous Page
To Previous Page IconTo Previous Page
Loading...
T4PGF1 INSTRUCTION MANUAL Page 25
SHAW-ALMEX INDUSTRIES LIMITED June 14 2017
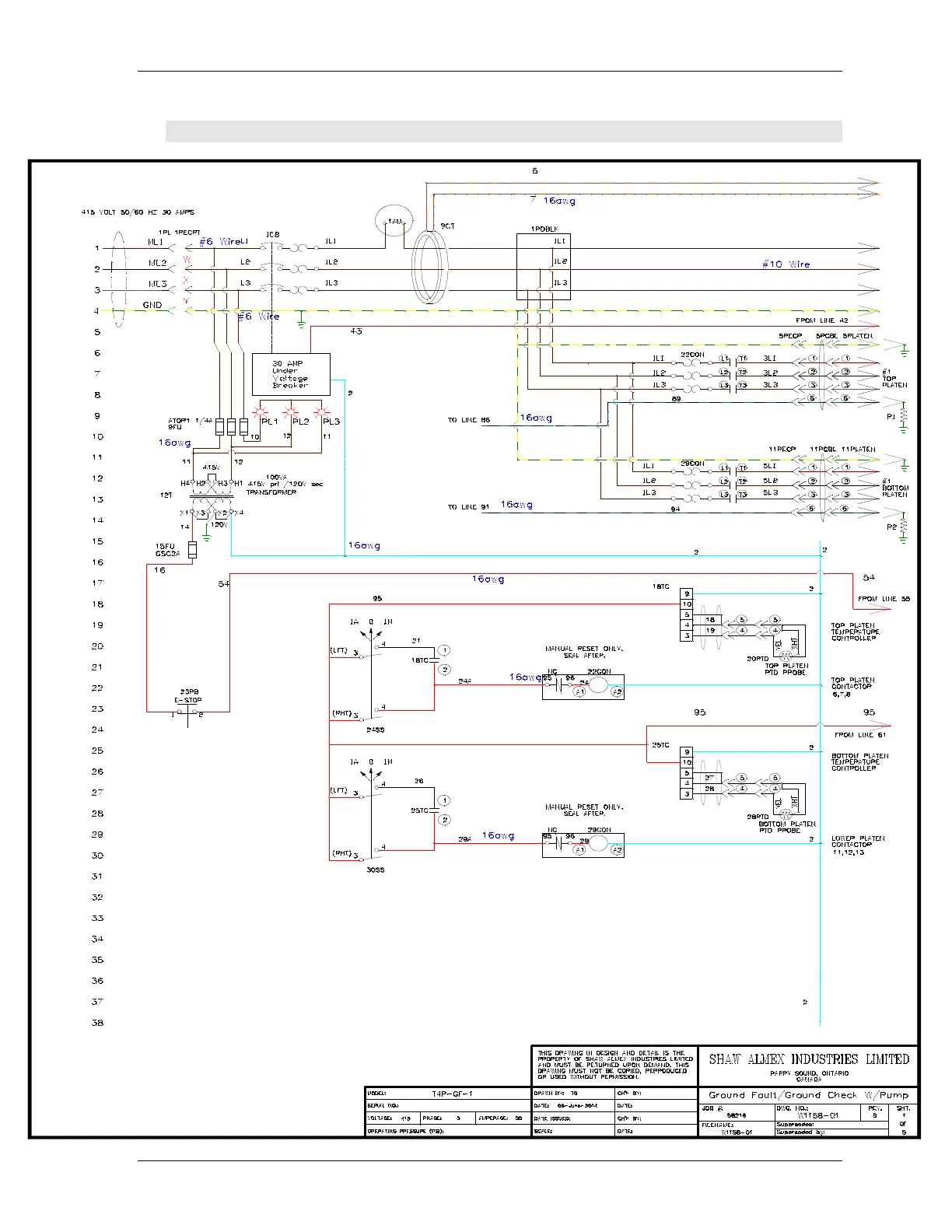
16. ELECTRICAL DRAWINGS

Related product manuals