EasyManua.ls Logo

Alpha ALPHA6000 Series - Page 33

Alpha ALPHA6000 Series
243 pages
Print Icon
To Next Page IconTo Next Page
To Next Page IconTo Next Page
To Previous Page IconTo Previous Page
To Previous Page IconTo Previous Page
Loading...
Chapter 2 Installation and Wiring
http://www.acdrive-china.com
33
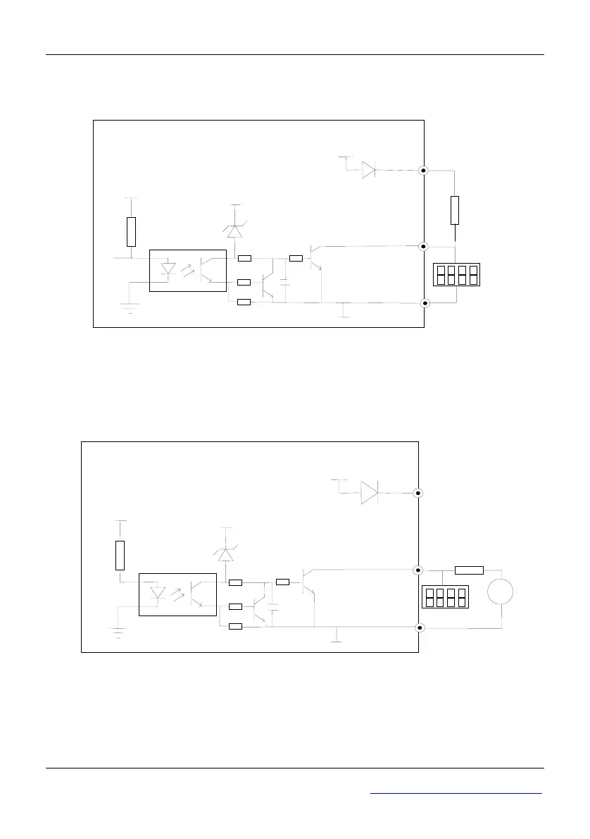
3 Multi-function output terminals / Pulse output terminal DO as pulse output can use
the internal 24 V power supply and the wiring is shown in Figure 2-27.
Fig 2-27 Wiring method 1 of DO as pulse output
4Multi-function output terminals / Pulse output terminal DO as Pulse output can also
use the external 930 V power supply and the wiring is shown in Figure 2-28.
Fig 2-28 Wiring method 2 of DO as pulse output
+24V
24V
4.7K
DO
COM
+5V
+24V
Digital
frequency
2030V
+
_
+24V
24V
4.7K
DO
COM
+5V
+24V
Digital frequency
meter

Table of Contents

Related product manuals