EasyManua.ls Logo

Alpine ALP080B - Page 83

Alpine ALP080B
152 pages
Print Icon
To Next Page IconTo Next Page
To Next Page IconTo Next Page
To Previous Page IconTo Previous Page
To Previous Page IconTo Previous Page
Loading...
103448-07 - 1/16 83
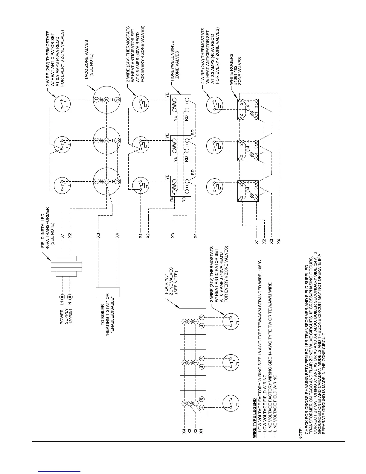
VIII. Electrical (continued)
Figure 30: Modied Wiring For DHW Priority When Using Low Flow Circulator Piped Off System Header -
Heating (with Central Heating Zone Valves) Plus Alternately Piped Indirect Water Heater

Table of Contents

Related product manuals