EasyManua.ls Logo

Alto-Shaam CC-48 - Page 14

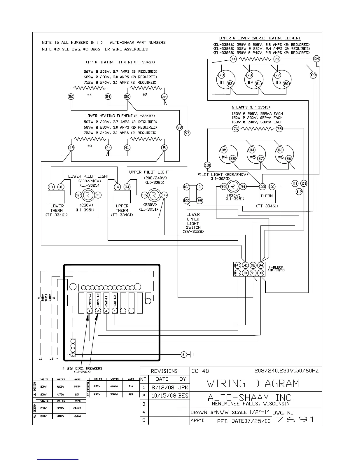
Alto-Shaam CC-48
16 pages
Print Icon
To Next Page IconTo Next Page
To Next Page IconTo Next Page
To Previous Page IconTo Previous Page
To Previous Page IconTo Previous Page
Loading...
CC Series Operat i on & Care Manual 13

Related product manuals