EasyManua.ls Logo

Amco Veba S - M-System Electrical Schematics

Default Icon
36 pages
Print Icon
To Next Page IconTo Next Page
To Next Page IconTo Next Page
To Previous Page IconTo Previous Page
To Previous Page IconTo Previous Page
Loading...
M System
B-13
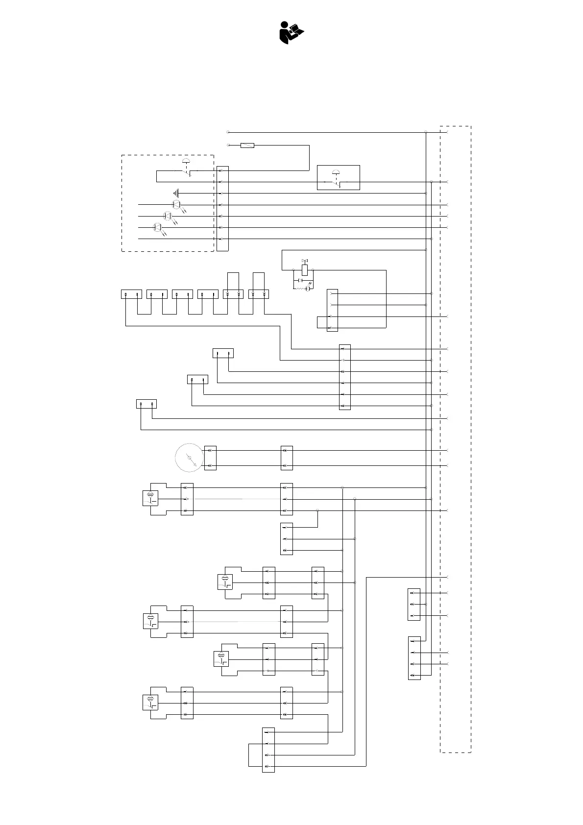
B.6 SCHEMI ELETTRICI
Schema generale
B.6 ELECTRICAL
SCHEMATICS
Complete schematic
B.6 STROMKREIS-
SCHEMA
Allgemeines Schema
Cod: 1010187-P1
Crane recovered
Pressure transducer
Stab DWN CVS
Beam Open OCVS
Beam Open CVS
Stab DWN OCVS
AUX DASHBOARD
D01 X1
Pred for rear stab
Stab. movement
Ext. in MS
Centralized micro switch for all movements
100%
90%
Calibration
Link
MAIN DASH BOARD
First boom DWN
Rotation
1st boom UP
2nd boom
Ext. out
Extra
Extra
VCC
STAB OK
12 2
bar
1
3
12
F01
7.5A
456321
Q02
Q01
7
4321
4321 65
4
1
3
2
1
3
2
1
3
2
1
3
2
1
3
2
1
3
2
1
3
2
1
3
2
1
3
2
1
2
1
2
1
2
1
2
1
2
1
2
1
2
1
2
1
4 3
X2
X3
X4
X5
X6
X7
X9
X8 X10
X1
1
X12
X13
X14
X15
X16
X17
X18
X19
7B
7C
1C
6B
3B
7A
4B
2C
1B
4C
4A
5B
5A
3
2
1
6A
X20
2
3
4
X21
3A
2B
3C
2
1
X22
1
2
YVH1
6C
1
X105
X106
X107
X108
X109
X110
2 1
3
X25
Auxiliary crane recovered