EasyManua.ls Logo

Amco Veba S - Schemi Elettrici

Default Icon
36 pages
Print Icon
To Next Page IconTo Next Page
To Next Page IconTo Next Page
To Previous Page IconTo Previous Page
To Previous Page IconTo Previous Page
Loading...
M System
B-14
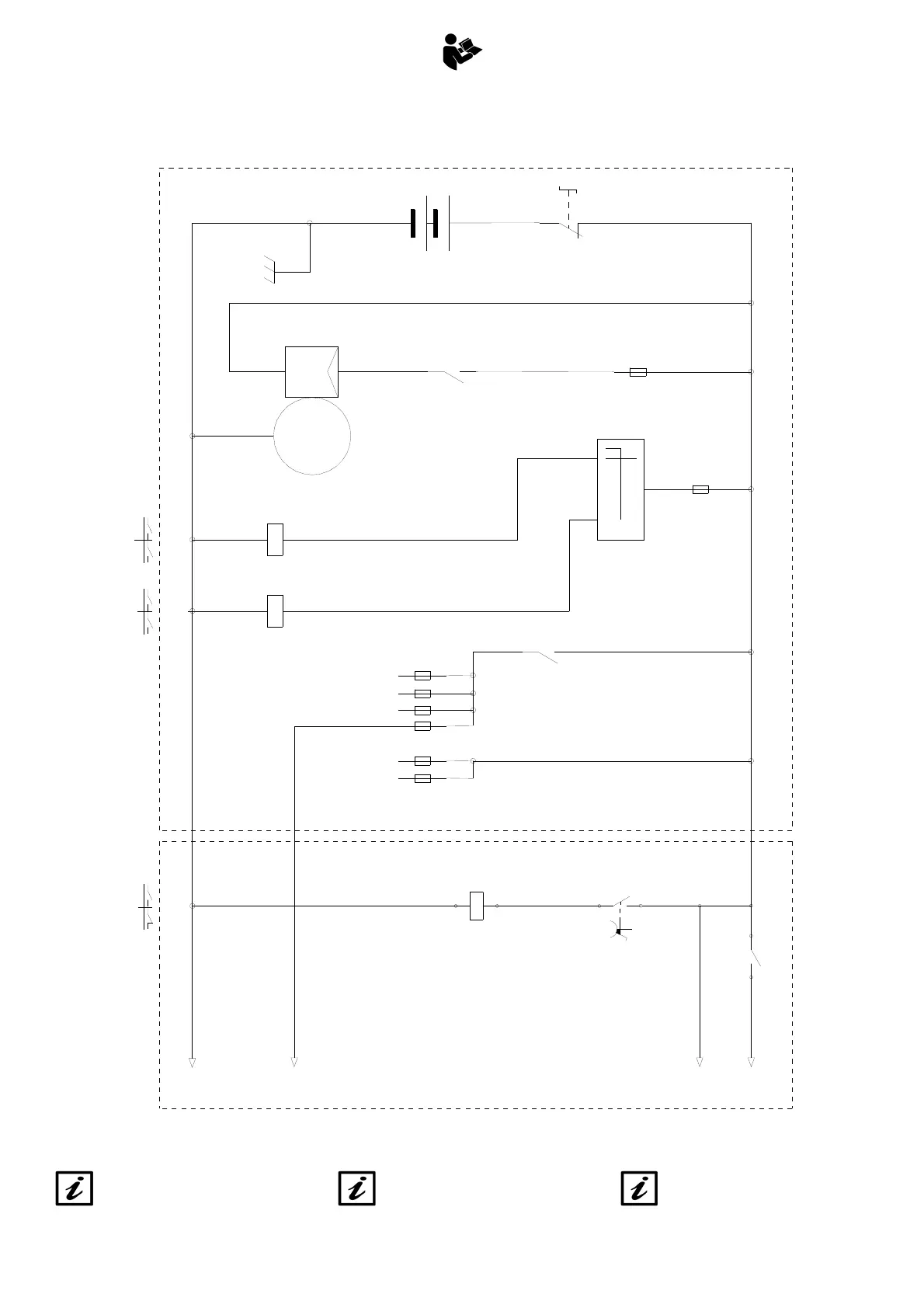
Schema elettrico
alimentazione gru
Lo schema elettrico del
veicolo è puramente indicativo.
Electrical schematic of crane
power supply
The schematic of the
vehicle’s system is purely indicative.
Stromkreisschema der
Kranversorgung
Das Stromkreisschema des
Fahrzeuges ist nur weisend.
Cod: 1010187-P4
M
BATTERY
+
-
30
50
15
K01
0000
S35
2/16A
1/5D 1/11C
1/10F
RD 2.5
BK 1.5
RD 0.5
PTO SWITCH
TELAIO
AUTOMOTIVE 20A RELAY
1FXY
1K01
sht_5 2A
K01
1S01
sht_5 2B
RD 1
RD 1
sht_5 2F
sht_5 2B
POWER KEY FUSE
ENGINE START
FUSE
MAIN BATTERY
SWITCH
TRUCK WIRING
CHASSIS
POWER UNDER
MAIN BATTERY
SWITCH
POWER UNDER
AUX FUNCT. SWICHT
STARTING MOTOR
POWER
AUX FUNCT.
POSITIVE FROM POWER KEY
CRANE POWER SUPPLY
INSTALLER WIRING