EasyManua.ls Logo

Ameri-Shred 2 Series - Electrical Diagrams

Ameri-Shred 2 Series
31 pages
Print Icon
To Next Page IconTo Next Page
To Next Page IconTo Next Page
To Previous Page IconTo Previous Page
To Previous Page IconTo Previous Page
Loading...
25
AMS-1000 Hard Drive Shredder Manual 2016 v.1
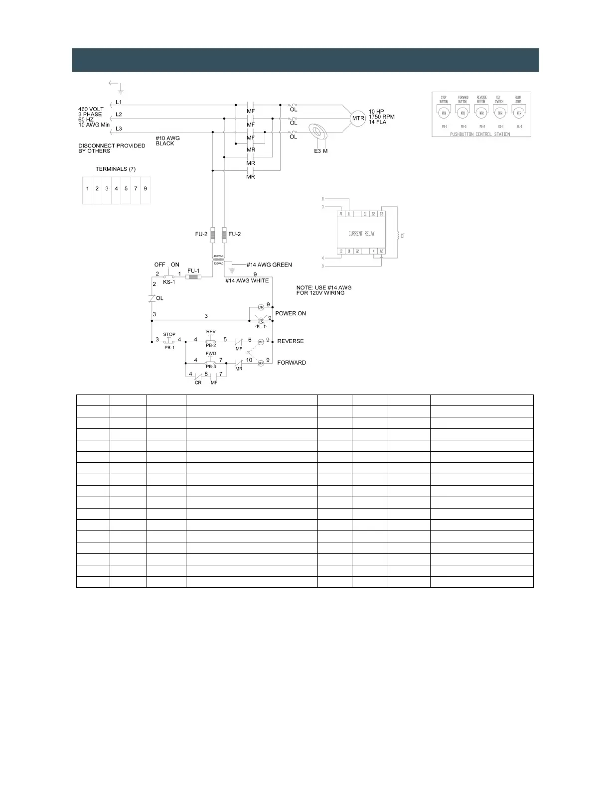
ELECTRICAL DIAGRAM - 10 HP, 460 V 3 PH-60 HZ
ITEM QTY PART # DESCRIPTION ITEM QTY PART # DESCRIPTION
MTR 1 112409 GEAR DRIVE 10 HP 460V - 1 110911 LEGEND PLT-SHREDDER STOP
TRANS 1 104624 TRANSFORMER-50V A 460/230/120V - 1 110912 LEGEND PLT-POWER ON
MFR 1 111253 CONTACTOR - 4 104695 CONDUIT-1/2"
FU-1 1 104383 FUSE-1 AMP - 2 104700 CONDUIT FTG-1/2" 90 DEG
FU-2 2 104901 FUSE-2 AMP - 1 104699 CONDUIT FTG-1/2" STR
CT 1 104630 CURRENT TRANSFORMER - 1 104635 C.T. MTG BRKT
OL-1 1 111267 OVERLOAD - 7 111747-J4 TERMINAL BLOCK
CR 1 104528 CURRENT RELAY - 1 104449 CONTACT BLOCK
PB-1 1 104439 PUSHBUTTON-STOP - 15 104768 WIRE-10 AWG BLACK
PB-2 1 104441 PUSHBUTTON-REV - 12 104778 WIRE-10/SO CORD
PB-3 1 104440 PUSHBUTTON-FWD - 75 104763 WIRE-14 AWG RED
KS-1 1 104442 KEYSWITCH - 1 104224 ENCLOSURE
PL-1 1 104443 PILOT LIGHT - 1 104223 BACKPLATE
- 1 110908 LEGEND PLT SHREDDER REV - 1 111049 PLUG
- 1 110907 LEGEND PLT SHREDDER FWD - 1 111050 RECEPTICLE
- 1 110909 LEGEND PLT-OFF/ON - 1 104828 CORD GRIP-STRAIN RELIEF

Related product manuals