EasyManua.ls Logo

Ameri-Shred 2 Series - Page 28

Ameri-Shred 2 Series
31 pages
Print Icon
To Next Page IconTo Next Page
To Next Page IconTo Next Page
To Previous Page IconTo Previous Page
To Previous Page IconTo Previous Page
Loading...
28
AMS-1000 Hard Drive Shredder Manual 2016 v.1
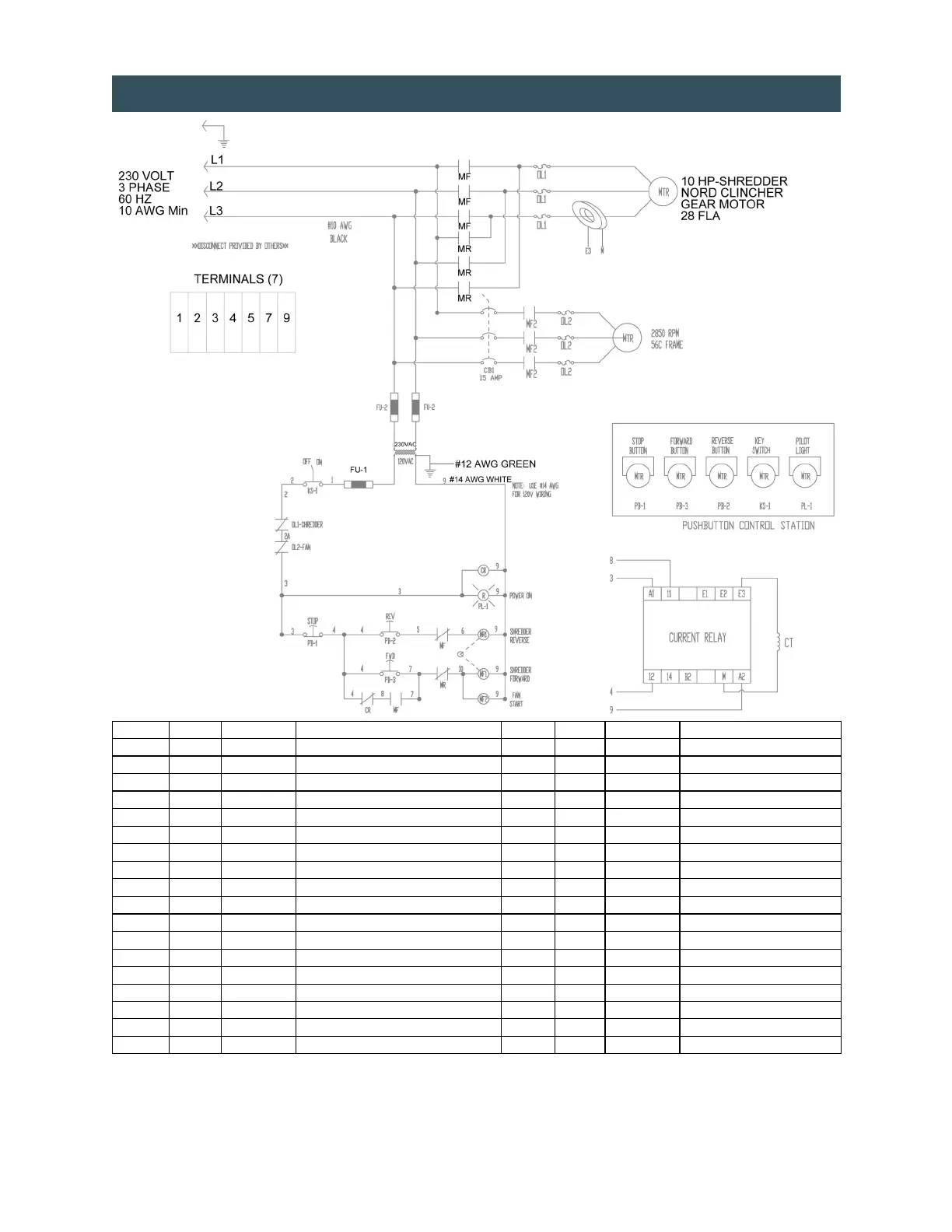
ELECTRICAL DIAGRAM - 10 HP, 230 V 3 PH-60 HZ WITH AIR FILTRATION
ITEM QTY PART # DESCRIPTION ITEM QTY PART # DESCRIPTION
MTR 1 112409 GEAR DRIVE 10 HP 230V - 1 110909 LEGEND PLT-OFF/ON
TRANS 1 104624 TRANSFORMER-100V A 230/460/120V - 1 110911 LEGEND PLT-SHREDDER STOP
MFR 1 111253 CONTACTOR - 1 110912 LEGEND PLT-POWER ON
FU-1 1 104383 FUSE-1 AMP - 4 104695 CONDUIT-1/2"
FU-2 2 104400 FUSE-2 AMP - 2 104700 CONDUIT FTG-1/2" 90 DEG
CT 1 104629 CURRENT TRANSFORMER - 1 104699 CONDUIT FTG-1/2" STR
OL-1 1 111270 OVERLOAD - 1 104635 C.T. MTG BRKT
CR 1 104528 CURRENT RELAY - 7 111747-J4 TERMINAL BLOCK
PB-1 1 104439 PUSHBUTTON-STOP - 1 104449 CONTACT BLOCK
PB-2 1 104441 PUSHBUTTON-REV - 15 104768 WIRE-10 AWG BLACK
PB-3 1 104440 PUSHBUTTON-FWD - 12 104778 WIRE-10/4O CORD
KS-1 1 104442 KEYSWITCH - 75 104763 WIRE-14 AWG RED
PL-1 1 104443 PILOT LIGHT - 1 33947 ENCLOSURE
CB-1 1 111842-15-3 15 AMP - 3 POLE BREAKER - 1 33955 BACKPLATE
OL-2 1 111262 OVERLOAD-FAN - 1 104691 PLUG
MF-2 1 111281 STARTER-FAN - 1 104690 RECEPTICLE
- 1 110908 LEGEND PLT SHREDDER REV - 1 104694 CORD GRIP-STRAIN RELIEF
- 1 110907 LEGEND PLT SHREDDER FWD

Related product manuals