EasyManua.ls Logo

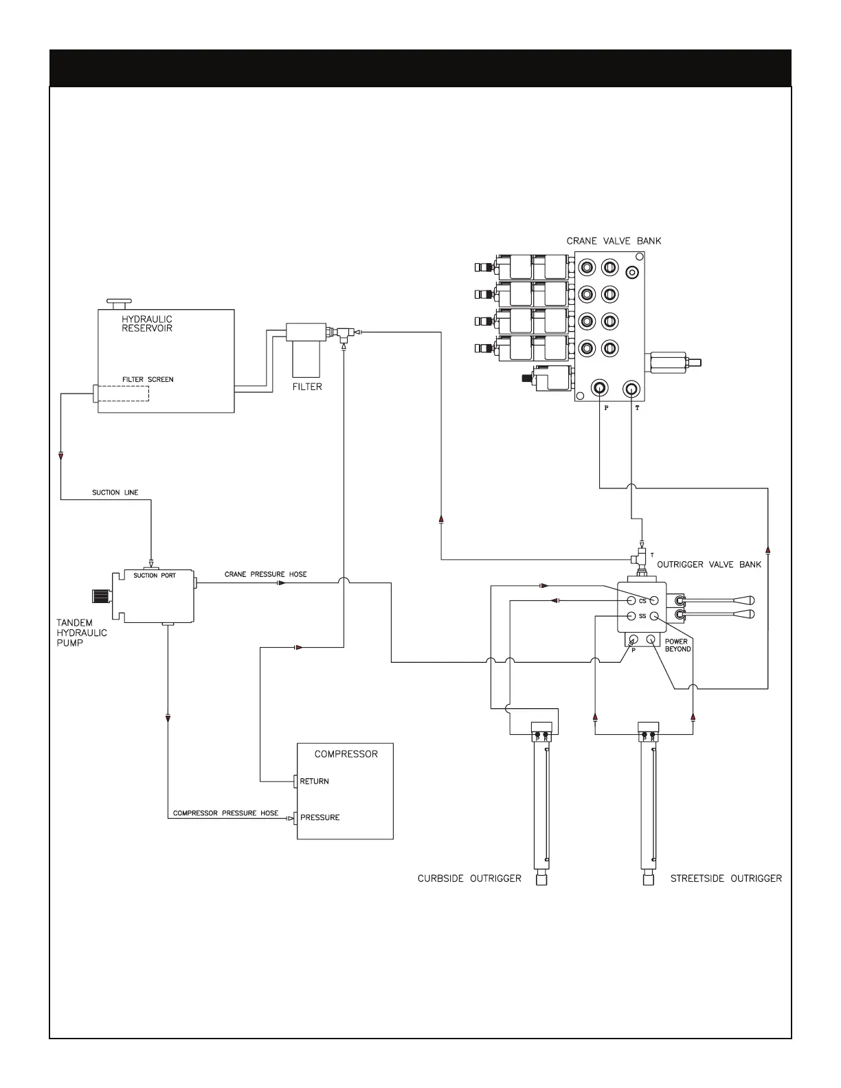
American Eagle 65R - Tandem Hydraulic Circuit

American Eagle 65R
20 pages
Print Icon
To Next Page IconTo Next Page
To Next Page IconTo Next Page
To Previous Page IconTo Previous Page
To Previous Page IconTo Previous Page
Loading...
Page 8 | American Eagle
®
65R Compressor Manual
Typical Hydraulic Circuit for Tandem (Two Part) Pump
PN 30532

Related product manuals