EasyManua.ls Logo

American Eagle SHD-66 - Crankshaft, Rod, Piston Assembly

Default Icon
34 pages
Print Icon
To Next Page IconTo Next Page
To Next Page IconTo Next Page
To Previous Page IconTo Previous Page
To Previous Page IconTo Previous Page
Loading...
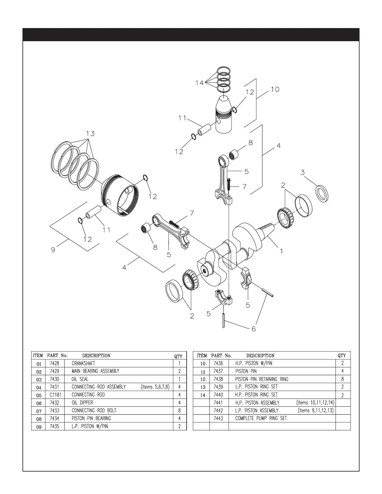
Assembly Drawings 23
Crankshaft, Rod, & Piston

Related product manuals