EasyManua.ls Logo

American Eagle SHD-66 - Hydraulic Circuit Diagrams

Default Icon
34 pages
Print Icon
To Next Page IconTo Next Page
To Next Page IconTo Next Page
To Previous Page IconTo Previous Page
To Previous Page IconTo Previous Page
Loading...
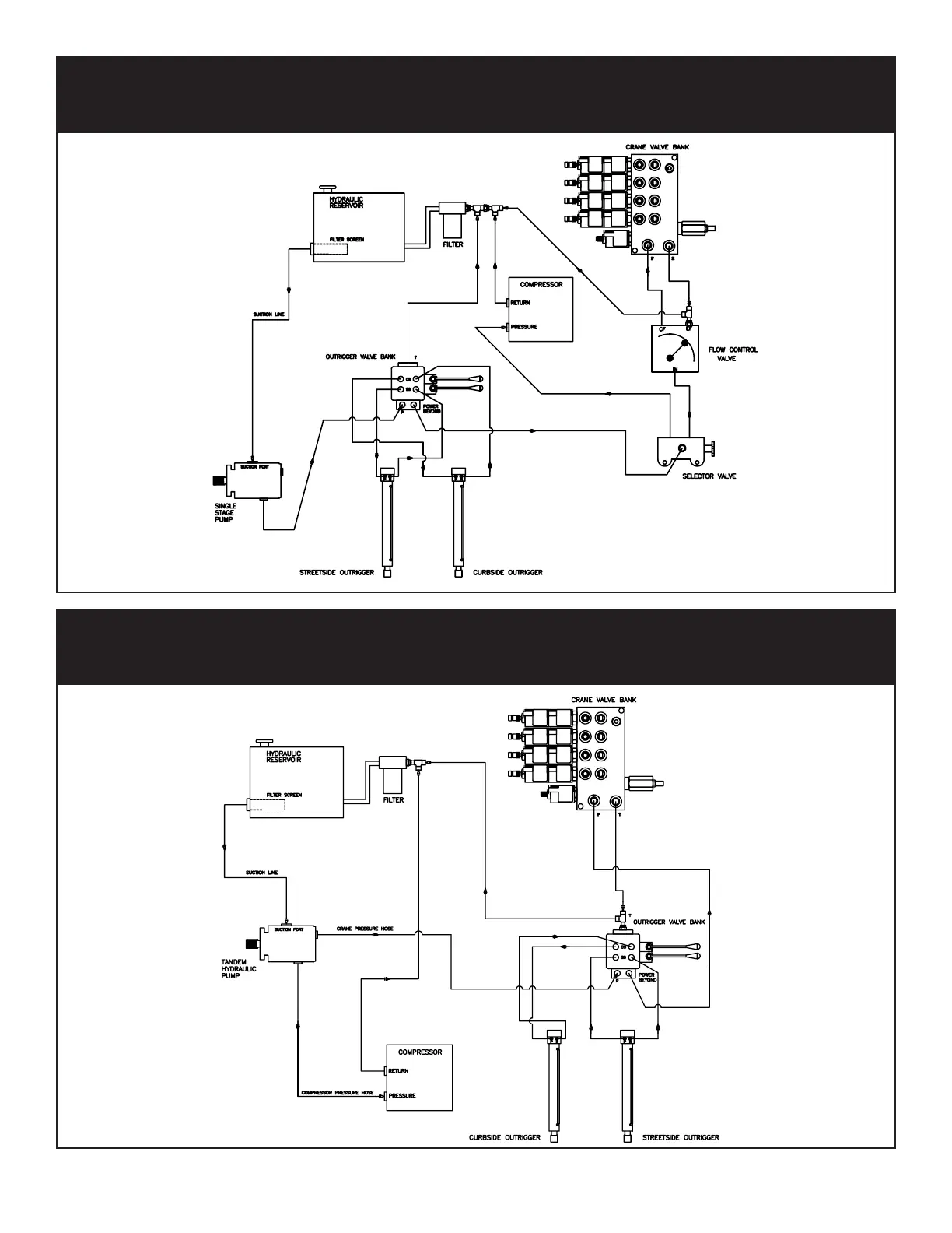
16 AE SHD66/46P Owner’s Manual
PN 30533
PN 30532
Typical Hydraulic Circuit for Single Stage Pump with
Multiple Components
Typical Hydraulic Circuit for Tandum (Two Part) Pump with
Multiple Components

Related product manuals