EasyManua.ls Logo

Ampcontrol HPB - Page 41

Ampcontrol HPB
61 pages
Print Icon
To Next Page IconTo Next Page
To Next Page IconTo Next Page
To Previous Page IconTo Previous Page
To Previous Page IconTo Previous Page
Loading...
Ampcontrol Pty Ltd ABN 28 000 915 542
HPB USER MANUAL
HPBB012 Version 9 March/2020
Uncontrolled Copy - Refer to Ampcontrol Website for Latest Version
Page 41 of 61
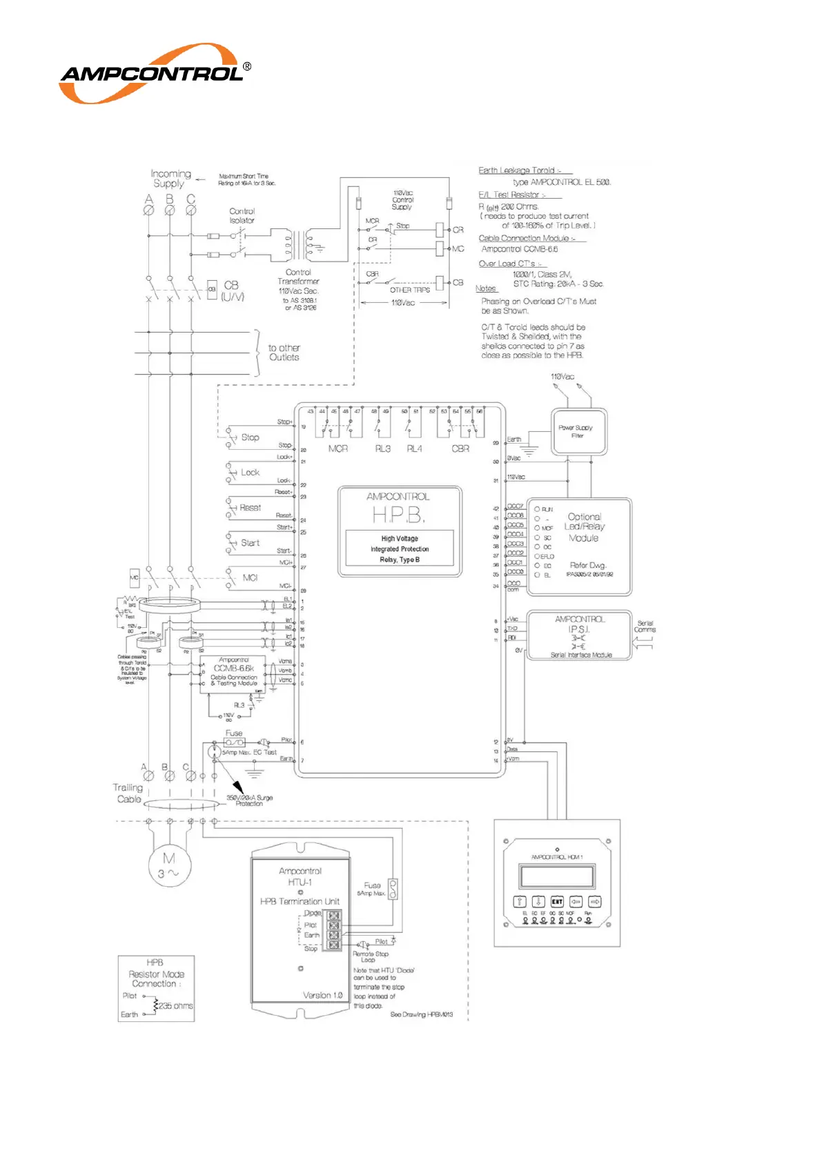
TYPICAL
CONNECTION DIAGRAM
- HPB 6.6kV
Drawing # HPBE006
Rev. 0

Related product manuals