EasyManua.ls Logo

Ampcontrol HPB - Page 42

Ampcontrol HPB
61 pages
Print Icon
To Next Page IconTo Next Page
To Next Page IconTo Next Page
To Previous Page IconTo Previous Page
To Previous Page IconTo Previous Page
Loading...
Ampcontrol Pty Ltd ABN 28 000 915 542
HPB USER MANUAL
HPBB012 Version 9 March/2020
Uncontrolled Copy - Refer to Ampcontrol Website for Latest Version
Page 42 of 61
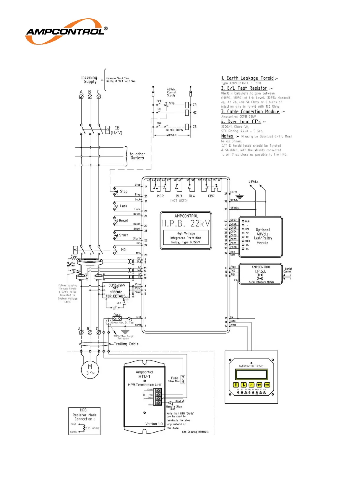
TYPICAL
CONNECTION DIAGRAM
- HPB 22kV
Drawing # HPBE013
Rev. 1

Related product manuals