EasyManua.ls Logo

Aqua Technopool pH-Rx - Quick Programming; Selection of the Language of the System; Setting the Temperature; Setting of the Cyclic Dosing (Pump P1) - It Is Not Displayed on Ph;Rx, Ph;Clj and Ph;Hp Technopool3

Aqua Technopool pH-Rx
37 pages
Print Icon
To Next Page IconTo Next Page
To Next Page IconTo Next Page
To Previous Page IconTo Previous Page
To Previous Page IconTo Previous Page
Loading...
TECHNOPOOL
Dosing systems for swimming pools ENGLISH
ADSP7000570 rev. 2.0 06/08/2021 13/37
4.0 QUICK PROGRAMMING
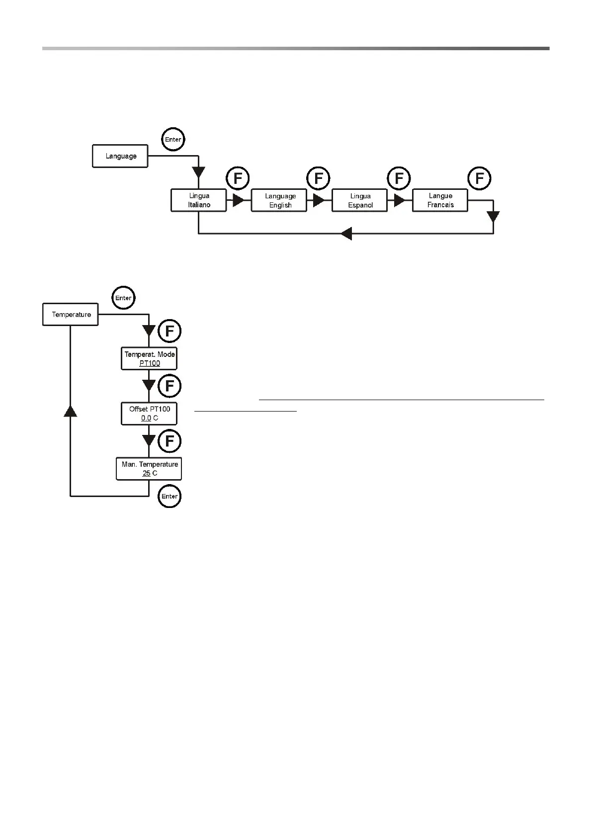
4.1 SELECTION OF THE LANGUAGE OF THE SYSTEM
Select option Language from the installer menu.
To confirm and exit, press key Enter for 3 seconds.
4.2 SETTING THE TEMPERATURE
Select option Temperature from the installer menu.
Temperat. Mode
Indicates how the temperature is managed: manually, automatically (with probe
PT100) or OFF (deactivated).
Press keys ▼▲ to select the mode and Enter to confirm.
PT100 offset (only if the Temperat. Mode is PT100)
This parameter allows to adjust the temperature display. In fact, the offset value
can be added to or removed from the measured temperature, so to display the
desired value. This parameter is not considered for the calculation of the dosing
but only for the display.
Press keys ▼▲ to set the desired value and Enter to confirm.
Values that can be set are -5.0÷10.0.
Man. Temperat. (only if the Temperat. Mode is Manual)
It represents the coefficient for calculating the compensation of conductivity; it is
recommended to leave the default value.
Press keys ▼▲ to set the desired value and Enter to confirm.
Values that can be set are 0÷100° C.
To confirm and exit, press key Enter for 3 seconds.
4.3 SETTING OF THE CYCLIC DOSING (PUMP P1) IT IS NOT DISPLAYED ON PH/RX, PH/CLJ AND PH/HP TECHNOPOOL3
Depending on whether the temperature has been programmed, the following parameters must be set for the pump
operation for the cyclic dosing:
Temperature OFF (disabled):
Qty first Prod. Frq. first Prod. Hour first. Prod.
Manual temperature or with PT100:
Qty first Prod. Qty first P. TMax Frq. first Prod. Hour first. Prod.
Enter the installer menu, select option Set Point/Timer and press key Enter.
Temperature OFF (disabled):

Table of Contents

Other manuals for Aqua Technopool pH-Rx