EasyManua.ls Logo

Aquatic iNfiNity serIes - Page 13

Aquatic iNfiNity serIes
36 pages
Print Icon
To Next Page IconTo Next Page
To Next Page IconTo Next Page
To Previous Page IconTo Previous Page
To Previous Page IconTo Previous Page
Loading...
Aquatic Industries, Inc. 13
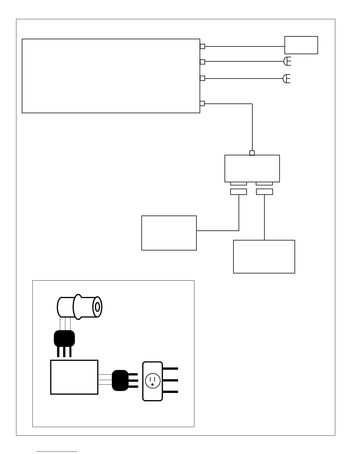
Blower
Control Box
15 AMP, 120 VAC
Blower Motor
OUTLET SUPPLIED
WITH WHIRLPOOL
(SEE WIRING DIRECTIONS)
4B
MAIN AC INPUT
INFINITY ELECTRONIC T-HEATER
HEATER AC INPUT
AUX CP
RECIRCULATING
PUMP
(Infinity I Only)
SEQUENCER

MODEL NUMBER: HS
4A