EasyManua.ls Logo

Ariens Edge 34 - Valdikliai Ir Jų Savybės

Ariens Edge 34
132 pages
Print Icon
To Next Page IconTo Next Page
To Next Page IconTo Next Page
To Previous Page IconTo Previous Page
To Previous Page IconTo Previous Page
Loading...
LT - 9
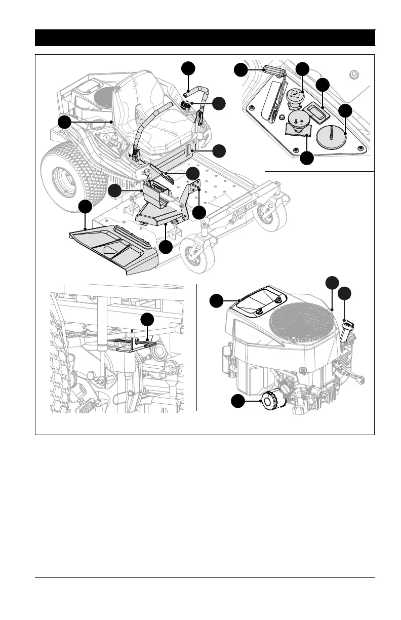
1. Degalų bakas ir dangtelis
2. Kuro lygio ekranas
3. Alyvos filtras
4. Alyvos išleidimo sistema
5. Variklio alyvos lygio matuoklis
6. Oro filtras
7. Užvedimo raktelis
8. Droselinės sklendės rankena
9. Sklendės valdiklio svirtis
10. Darbo veleno (toliau - velenas) rankena
11. Valandų skaitiklis
12. Pjovimo aukščio reguliavimo sistema
13. Korpuso pakėlimo pedalas
14. Rankinio stabdžio svirtis
15. Dirželio gaubtas (2)
16. Valdymo svirtis (2)
17. Išmetimo latakas
18. Pavarų perjungimo svirtis (2)
19. Akumuliatorius (po sėdyne)
VALDIKLIAI IR JŲ SAVYBĖS
Pav. 3
13
1
12
16
15
2
14
17
18
10
7
8
11
19
9
5
4
6
3

Table of Contents