EasyManua.ls Logo

Ariens Edge 34 - Controls and Features Overview; Component Identification

Ariens Edge 34
132 pages
Print Icon
To Next Page IconTo Next Page
To Next Page IconTo Next Page
To Previous Page IconTo Previous Page
To Previous Page IconTo Previous Page
Loading...
EN - 9
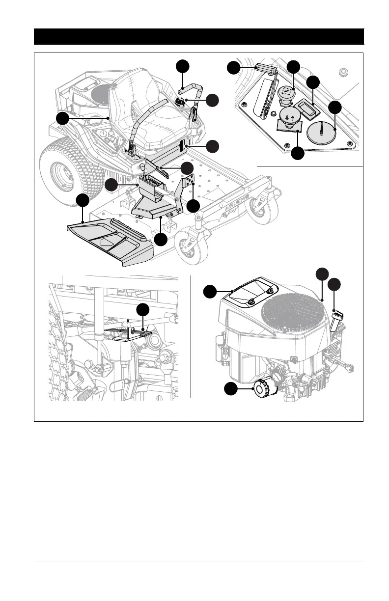
1. Fuel Tank and Cap
2. Fuel Level Window
3. Oil Filter
4. Oil Drain
5. Engine Oil Dipstick
6. Air Filter
7. Ignition Key
8. Choke Control Knob
9. Throttle Control Lever
10. Power Take-off (PTO) Knob
11. Hour Meter
12. Height-of-Cut Adjustment System
13. Deck Lift Pedal
14. Parking Brake Lever
15. Belt Cover (2)
16. Steering Lever (2)
17. Discharge Chute
18. Transaxle Bypass Lever (2)
19. Battery (Under Seat)
CONTROLS AND FEATURES
Figure 3
13
1
12
16
15
2
14
17
18
10
7
8
11
19
9
5
4
6
3

Table of Contents