EasyManua.ls Logo

Ariens Edge 34 - Juhtseadised Ja Funktsioonid

Ariens Edge 34
132 pages
Print Icon
To Next Page IconTo Next Page
To Next Page IconTo Next Page
To Previous Page IconTo Previous Page
To Previous Page IconTo Previous Page
Loading...
ET - 9
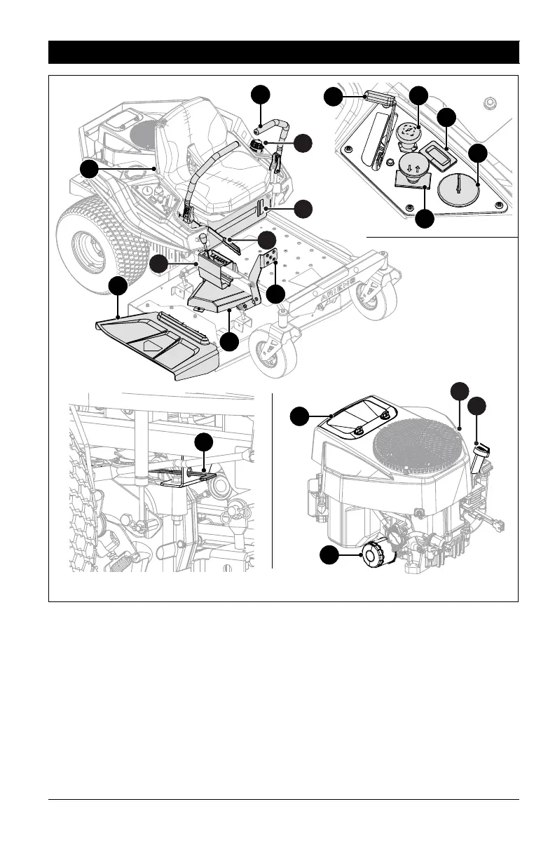
1. Kütusepaak ja kork
2. Kütusetaseme vaateava
3. Õlifilter
4. Õli tühjendusava
5. Mootoriõli mõõtevarras
6. Õhufilter
7. Süütevõti
8. Õhuklapi regulaator
9. Gaasihoob
10. Käitusvõlli nupp
11. Tunniarvesti
12. Lõikekõrguse reguleerimissüsteem
13. Lõikemehhanismi tõstmise pedaal
14. Seisupiduri kang
15. Rihma kate (2)
16. Juhtkang (2)
17. Väljalasketoru
18. Veotelje möödaviiguhoob (2)
19. Aku (istme all)
JUHTSEADISED JA FUNKTSIOONID
Joonis 3
13
1
12
16
15
2
14
17
18
10
7
8
11
19
9
5
4
6
3

Table of Contents

Related product manuals