EasyManua.ls Logo

Ariens Edge 34 - Säätölaitteet Ja Ominaisuudet

Ariens Edge 34
132 pages
Print Icon
To Next Page IconTo Next Page
To Next Page IconTo Next Page
To Previous Page IconTo Previous Page
To Previous Page IconTo Previous Page
Loading...
FI - 9
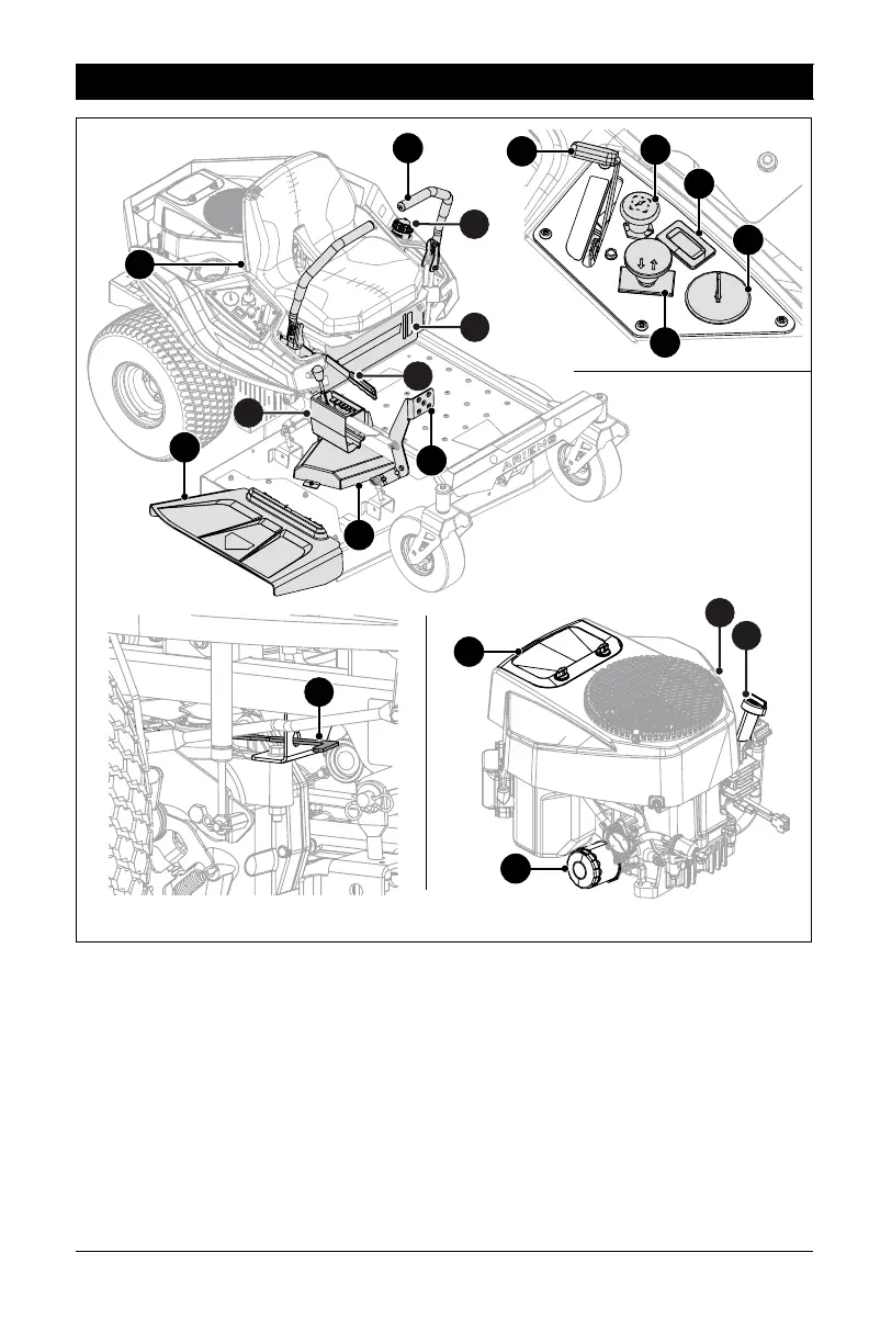
1. Polttoainesäiliö ja korkki
2. Polttoaineen määrän tarkistusikkuna
3. Öljynsuodatin
4. Öljynpoistoaukko
5. Moottoriöljyn mittatikku
6. Ilmansuodatin
7. Virta-avain
8. Rikastimen nuppi
9. Kaasun ohjausvipu
10. Voimanoton (PTO) painike
11. Käyttötuntimittari
12. Leikkuukorkeuden säätöjärjestelmä
13. Leikkuupöydän nostopoljin
14. Seisontajarrun kahva
15. Hihnan suojus (2)
16. Ohjausvipu (2)
17. Heittoputki
18. Vetoakselin ohitusvipu (2)
19. Akku (Istuimen alla)
SÄÄTÖLAITTEET JA OMINAISUUDET
Kuva 3
13
1
12
16
15
2
14
17
18
10
7
8
11
19
9
5
4
6
3

Table of Contents

Related product manuals