EasyManua.ls Logo

Armstrong BRAIN DMC80 - Page 14

Armstrong BRAIN DMC80
72 pages
Print Icon
To Next Page IconTo Next Page
To Next Page IconTo Next Page
To Previous Page IconTo Previous Page
To Previous Page IconTo Previous Page
Loading...
14
Armstrong International
Parc Industriel Des Hants-Sarts, 2ème Avenue No. 4, Haerstal, B-4040, Belgium
armstronginternational.com/brain
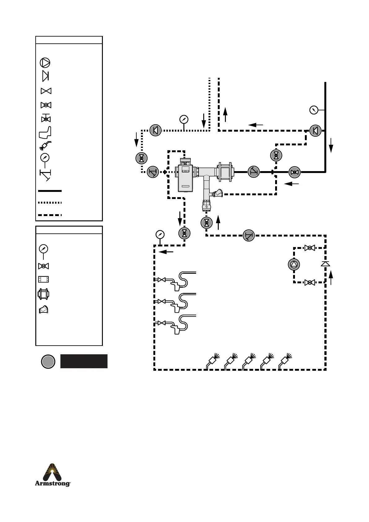
Wafer Style Spring
Check Valve
In-Line Check Valve
Isolation Valve
Sink
Shower
Thermometer
Strainer
Cold Water
Hot Water
Mixed Water
Check Valve
Recirculation Pump
System Layout
- Legend -
Stop Valve
DRV80R Assembly
- Legend -
Balancing Valve
Swing Check Valve*
Thermometer
Isolation Valve
*Orientated for piping
schematic detail only.
Must be installed in
horizontal plane.
H C
Figure 14-1. Single Valve Installation
Note: For 0-90 GPM (0-340 l/min) Systems the DRV80R inlet connections are 2”
Note: For 0-150 GPM (0-567 l/min) Systems the DRV80R inlet connections are 3”
DRV
Outlets
Outlets
Mixed Return
Cold Water
Supply
Return to
Hot Water
Supply Inlet
From Hot Water
Supply
Mixed Flow
Items are installer
supplied

Related product manuals