EasyManua.ls Logo

Armstrong BRAIN DMC80 - High Pitched Noise from DRV80

Armstrong BRAIN DMC80
72 pages
Print Icon
To Next Page IconTo Next Page
To Next Page IconTo Next Page
To Previous Page IconTo Previous Page
To Previous Page IconTo Previous Page
Loading...
70
Armstrong International
Parc Industriel Des Hants-Sarts, 2ème Avenue No. 4, Haerstal, B-4040, Belgium
armstronginternational.com/brain
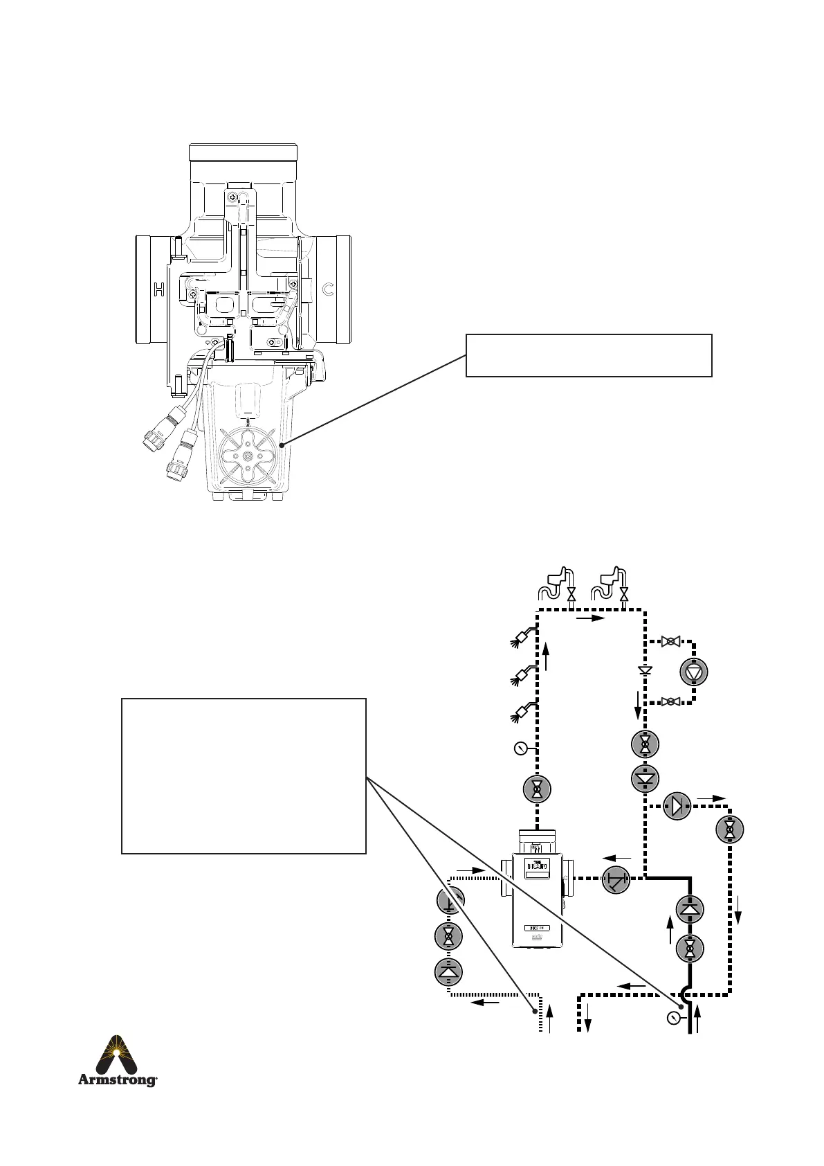
Problem: “High pitched noise from DRV80...”
Check motor
Motor may be worn, replace.
H C
Water pressure
Make sure supply pressures are balanced.
Check for the following:
Air locks
Blocked strainers
Closed isolator valves
Check inlet ow rates are within speci-
ed parameters. See Specications on
page 8.
Return to Hot
Water Supply Inlet

Related product manuals