EasyManua.ls Logo

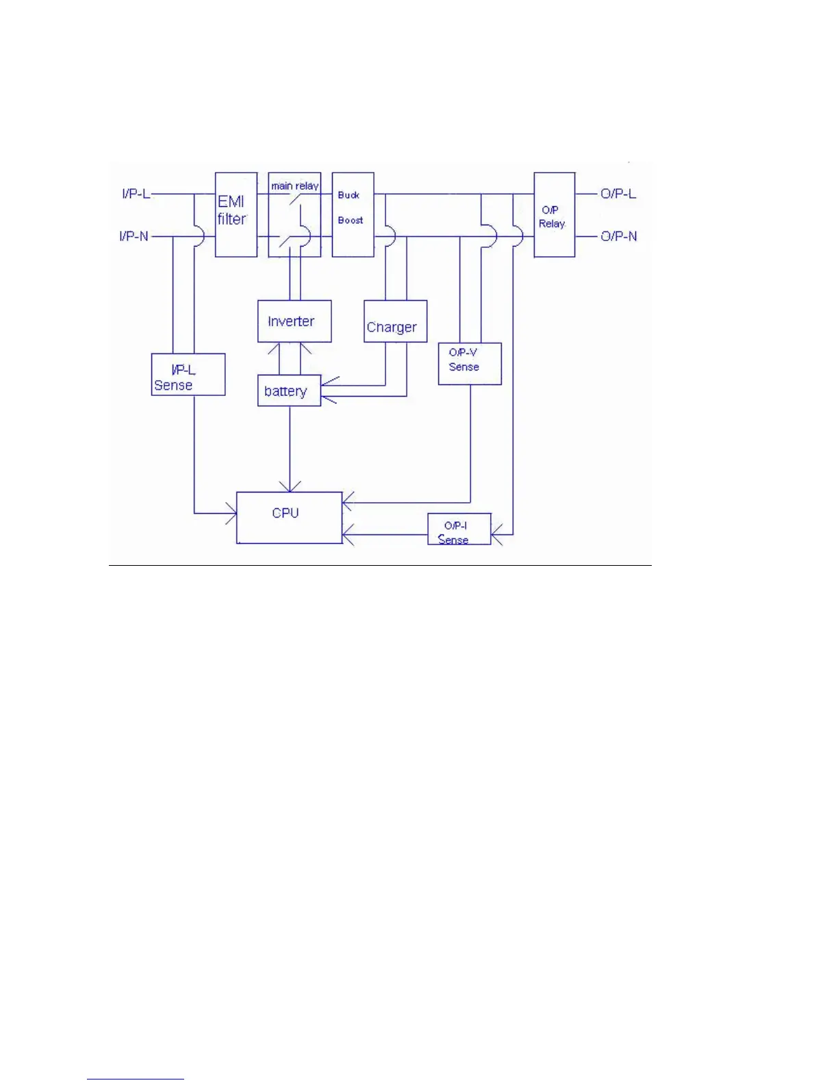
Aros Syncro 800 - Schema a Blocchi Generale

Default Icon
Print Icon
To Next Page IconTo Next Page
To Next Page IconTo Next Page
To Previous Page IconTo Previous Page
To Previous Page IconTo Previous Page
Loading...
- 24 -
SCHEMA A BLOCCHI GENERALE

Related product manuals