EasyManua.ls Logo

Aros Syncro 800 - Schéma Fonctionnel Principal

Default Icon
Print Icon
To Next Page IconTo Next Page
To Next Page IconTo Next Page
To Previous Page IconTo Previous Page
To Previous Page IconTo Previous Page
Loading...
- 63 -
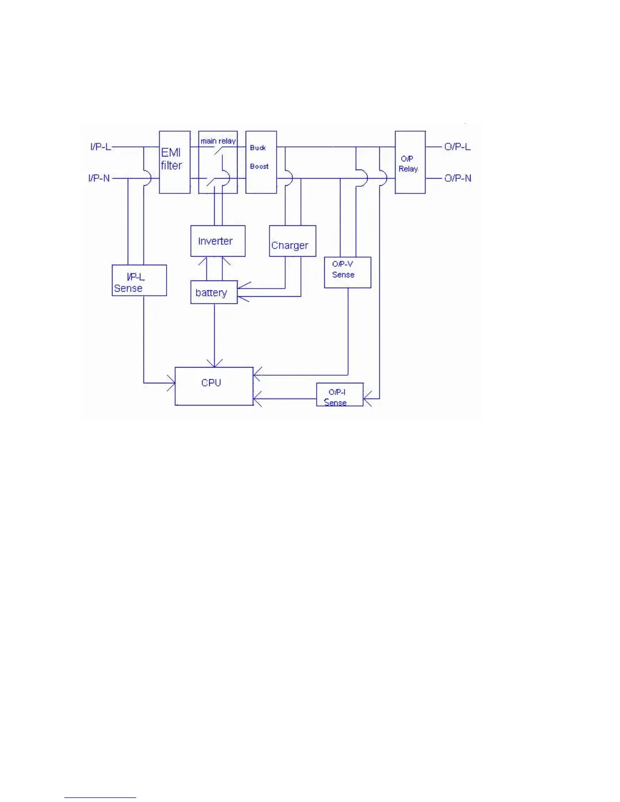
SCHÉMA FONCTIONNEL PRINCIPAL

Related product manuals