EasyManua.ls Logo

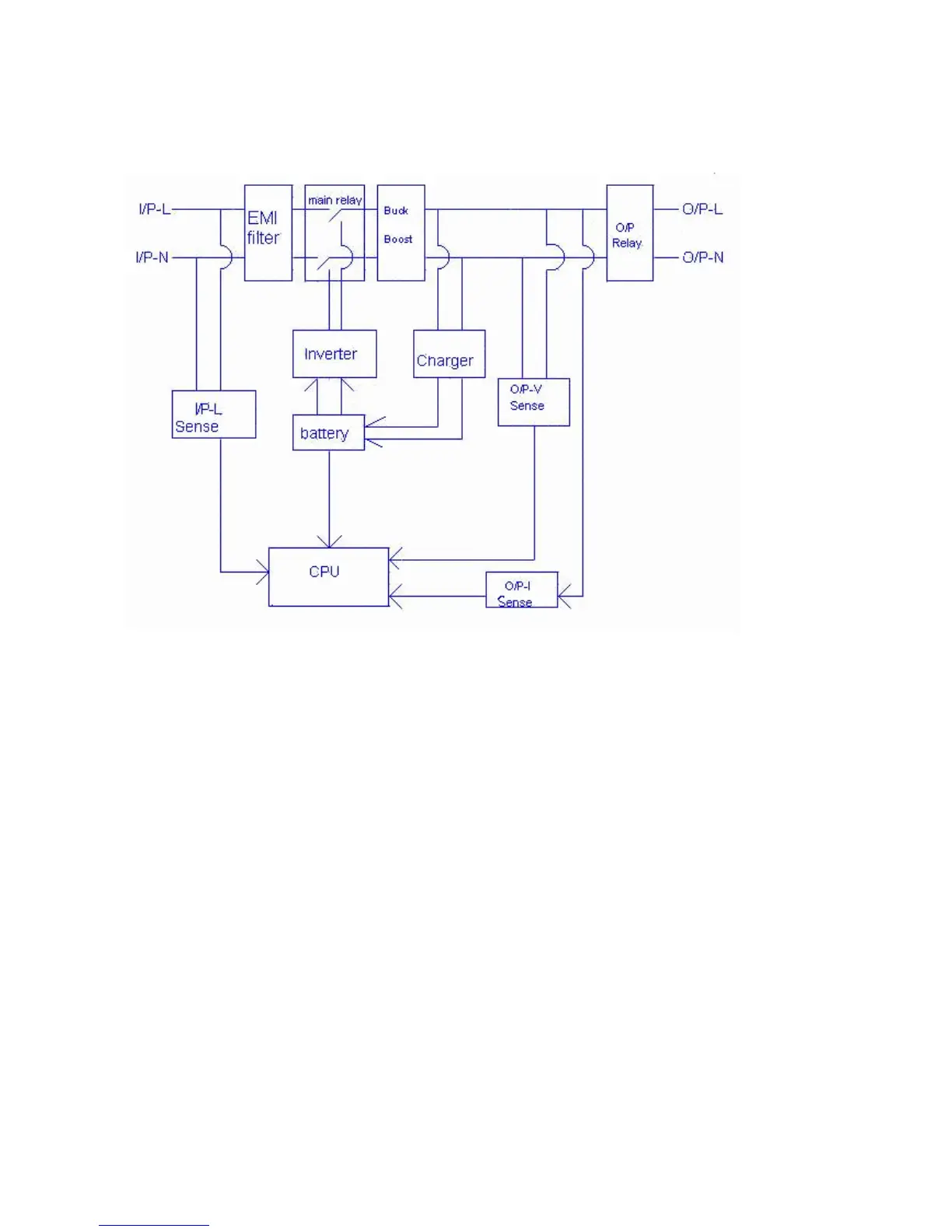
Aros Syncro 800 - Main Block Diagram

Default Icon
Print Icon
To Next Page IconTo Next Page
To Next Page IconTo Next Page
To Previous Page IconTo Previous Page
To Previous Page IconTo Previous Page
Loading...
- 37 -
MAIN BLOCK DIAGRAM

Related product manuals