EasyManua.ls Logo

ARP 2600 FS - Block Diagram

ARP 2600 FS
124 pages
Print Icon
To Next Page IconTo Next Page
To Next Page IconTo Next Page
To Previous Page IconTo Previous Page
To Previous Page IconTo Previous Page
Loading...
- 5 -
Owner’s manual
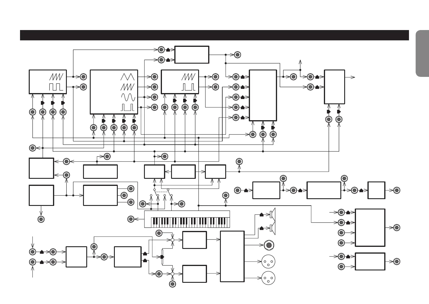
Block diagram
VCO-1 VCO-2
KEYBOARD
VCO-3
RING
MODULATOR
VCF
TYPE I
TYPE II
VCA
SAMPLE
&HOLD
NOISE
GENERATOR
ADSR
AR
MANUAL
START
INTERNAL
CLOCK
ELECTRONIC
SWITCH
PREAMP
ENVELOPE
FOLLOWER
LAG
GATE TRIGGER
KEYBOARD
LOWER
CV
MIXER
REVERB-
ERATOR
PAN
SLIDER
-
-
+
-
-
+
LEFT
PREAMP
RIGHT
PREAMP
KEYBOARD
CV
UPPER
AUDIO
AMPs
SPEAKER L
SPEAKER R
HEAD
PHONE
LINE L
(balanced)
LINE R
(balanced)
-10V
+10V
INVERTER
INVERTER
To MIXER
To MIXER
VCF
VCA

Table of Contents

Related product manuals