EasyManua.ls Logo

ARP 2600 FS - Panel Frontal (Sección SAMPLE & HOLD)

ARP 2600 FS
124 pages
Print Icon
To Next Page IconTo Next Page
To Next Page IconTo Next Page
To Previous Page IconTo Previous Page
To Previous Page IconTo Previous Page
Loading...
- 87 -
Manual del usuario
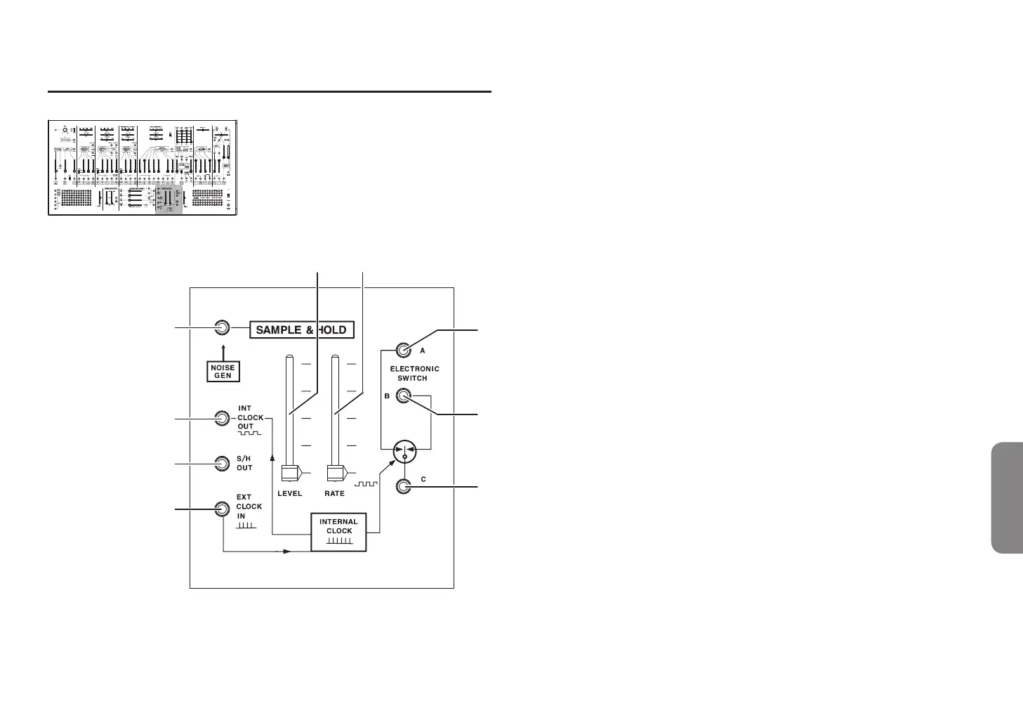
Panel frontal (sección SAMPLE & HOLD)
INITIAL OSCILLATOR FREQUENCY INITIAL OSCILLATOR FREQUENCY
a
b
c
d
e f
h
i
g
SAMPLE & HOLD (muestreo y retención)
a. Jack de entrada SAMPLE & HOLD
Este es el jack de entrada para el circuito de muestreo y retención. El generador
de ruido está conectado internamente.
b. Jack INT CLOCK OUT
Por él sale la señal de reloj del generador de reloj interno de esta unidad.
c. Jack S/H OUT
Por él sale la señal de muestreo y retención.
d. Jack EXT CLOCK IN
Este es un jack de entrada para un reloj externo. Si se introduce una señal
de reloj desde un dispositivo externo en este jack, SAMPLE & HOLD y
ELECTRONIC SWITCH se sincronizarán al reloj externo.
e. Deslizador de nivel de entrada de muestreo y retención
Ajusta el nivel de la señal que se introduce a la reverberación de muelle.
f. Deslizador CLOCK RATE ............................................................... [0.2Hz...24Hz]
Ajusta la frecuencia del reloj interno.
g. Jack ELECTRONIC SWITCH A
Este es un conmutador analógico que se sincroniza al reloj. ELECTRONIC
SWITCH B y C se utilizan juntos.
h. Jack ELECTRONIC SWITCH B
Este es un conmutador analógico que se sincroniza al reloj. ELECTRONIC
SWITCH A y C se utilizan juntos.
i. Jack ELECTRONIC SWITCH C
Este es un conmutador analógico que se sincroniza al reloj. ELECTRONIC
SWITCH A y B se utilizan juntos. Los jacks A-C y los jacks B-C se conectan
alternativamente en sincronización con el reloj.
Sugerencia:
Por ejemplo, si el jack A se conecta a LEFT INPUT (entrada izquierda), el
jack B se conecta a RIGHT INPUT (entrada derecha) y el jack C se conecta a una
señal de audio, se obtiene un efecto de panoramización automática.

Table of Contents