EasyManua.ls Logo

Astroflex 4100 Series - P4 CONNECTOR: MAIN POWER

Default Icon
23 pages
Print Icon
To Next Page IconTo Next Page
To Next Page IconTo Next Page
To Previous Page IconTo Previous Page
To Previous Page IconTo Previous Page
Loading...
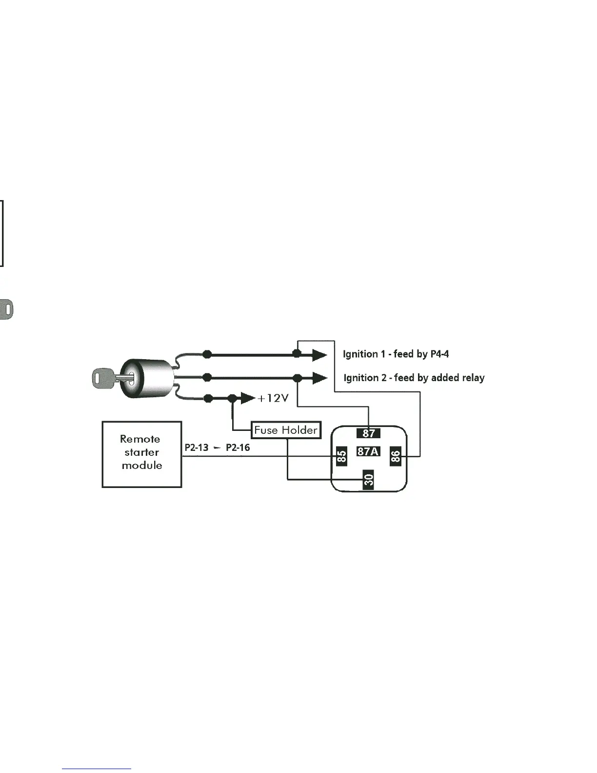
P2-13 : Brown: PROGRAMMABLE OUTPUT #1
Negative output where the function can be determined during LEVEL 5 program-
ming. In this instance the factory programmed setting is PULSE BEFORE.
P2-14 : White/blue: PROGRAMMABLE OUTPUT #2
Negative output where the function can be determined during LEVEL 6 program-
ming. In this instance the factory programmed setting is PULSE AFTER.
P2-15 : White: PROGRAMMABLE OUTPUT #3
Negative output where the function can be determined during LEVEL 7 program-
ming. In this instance the factory programmed setting is TRUNK RELEASE.
P2-16 : Purple: PROGRAMMABLE OUTPUT #4
(Except Model 500)
Negative output where the function can be determined during LEVEL 8 program-
ming. In this instance the factory programmed setting is DOME LIGHT.
Wiring example for applications using programmable (-) outputs.
P3 : POWER DOOR LOCKS
(Model 1100, 2100 and 4100)
This harness provides on board relays for power door lock interfaces. Please refer
to the AstroChart CD for descriptions of door lock hookups.
Programming for options related to this connector is obtained in LEVEL 10.
17
17
Programmable (-)
output 1 - 4 set in
Ignition mode
P2-13 : Brun : SORTIE PROGRAMMABLE NO 1
Sortie négative dont la fonction peut être déterminée lors de la programmation du
NIVEAU 5.
Dans ce cas-ci, le réglage par défaut est IMPULSION AVANT.
P2-14 : Blanc/bleu : SORTIE PROGRAMMABLE NO 2
Sortie négative dont la fonction peut être déterminée lors de la programmation du
NIVEAU 6.
Dans ce cas-ci, le réglage par défaut est IMPULSION APRÈS.
P2-15 : Blanc : SORTIE PROGRAMMABLE NO 3
Sortie négative dont la fonction peut être déterminée lors de la programmation du
NIVEAU 7.
Dans ce cas-ci, le réglage par défaut est OUVERTURE DU COFFRE.
P2-16 : Violet : SORTIE PROGRAMMABLE NO 4
(sauf modèle 500)
Sortie négative dont la fonction peut être établie lors de la programmation du
NIVEAU 8.
Dans ce cas-ci, le réglage par défaut est PLAFONNIER.
EXEMPLE de raccordement qui peut etre réalisé sur les sorties (-) programmables.
P3 : VERROUILLAGE ÉLECTRIQUE DES PORTIÈRES
(modèles 1100, 2100 et 4100)
Cette prise est reliée à des relais incorporés pour les interfaces de verrouillage
électrique des portières. Se reporter au cédérom AstroChart pour une description
des branchements appropriés.
La programmation des options relatives à cette prise seffectue au NIVEAU 10.
Porte-fusible
Allumage 1 - alimenté par P4-4
Allumage 2 - alimenté par relais
supplémentaire
Démarreur
à
distance
Sorties (-)
programmable 1 - 4
réglé en mode
« Allumage »

Table of Contents

Related product manuals