EasyManua.ls Logo

Atag iR 12 - Electrical Diagram

Atag iR 12
56 pages
To Next Page IconTo Next Page
To Next Page IconTo Next Page
To Previous Page IconTo Previous Page
To Previous Page IconTo Previous Page
Loading...
Installation & Servicing instructions ATAG iR-Range
31
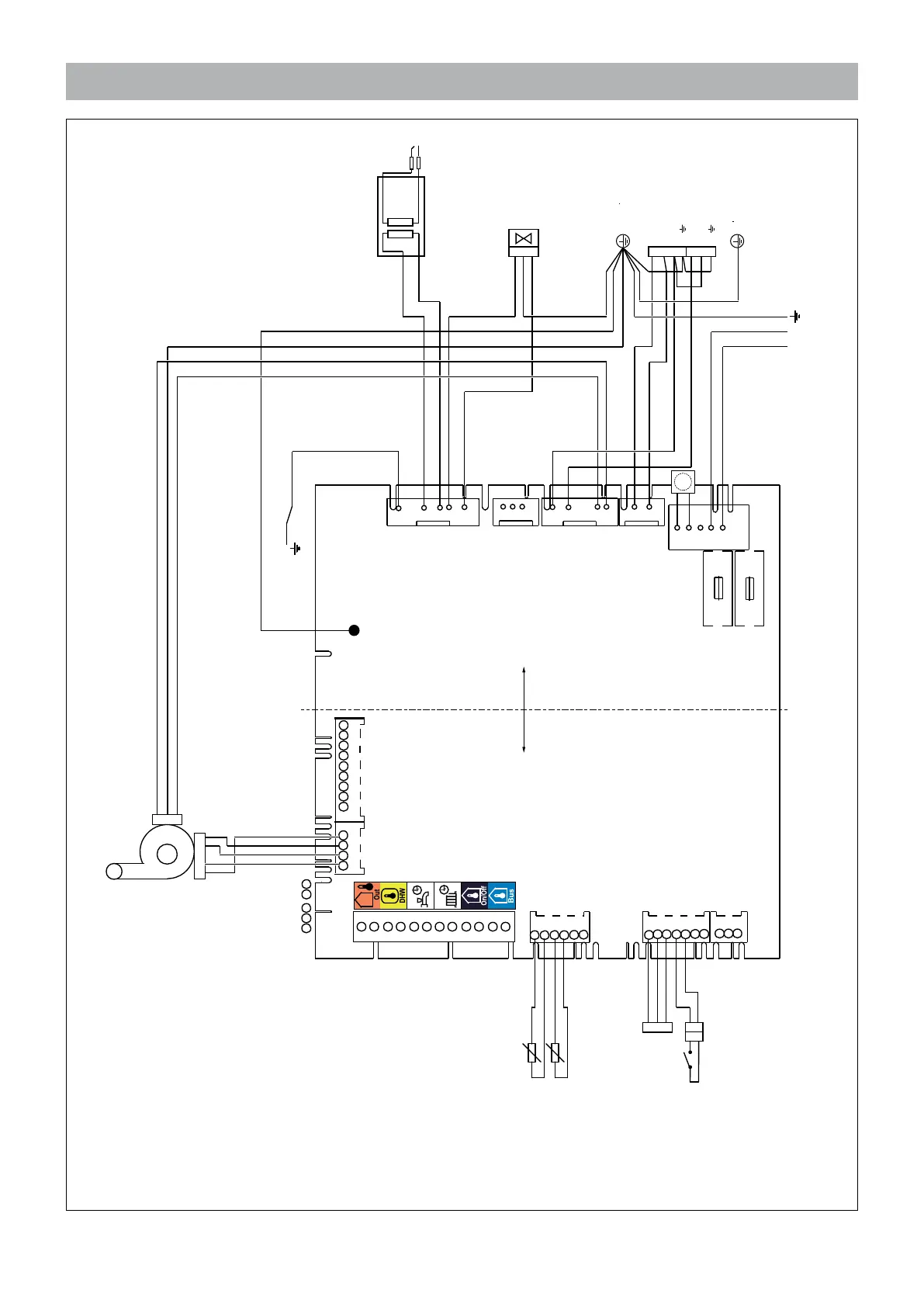
Figure 10.1.a
13. IGNITION
15. GAS VALVE
12. IONISATION
17. EARTH
11. FAN 230V AC
T 3,15 H
T 3,15 H
21.
FUSES
250V
22. SERVICE CONNECTOR
X1
X2
X4
X8
X9
X11
X12
X13
X6
X7 X17
X5
20. 230V POWER SUPPLY CABLE
X10
1
2
3
4
5
6
7
1
2
3
4
5
6
1
2
3
4 3 2 1 9 8 7 6 5 4 3 2 1
5
4
3
2
1
3
2
1
4
3
2
1
2
1
5
4
3
2
1
5 4 3 2 1
1
2
3
0K1
0K1
4,0
6.3
3
4
1
2
3
2
1
1
2
3
4
19. EARTH FRONT PANEL
L N
black
18. 230V CONTROL
SwL
L
N
E
230V EXTERNAL TIMER OPTION
1
2
3
LOW VOLTAGE HIGH VOLTAGE (230V)
1
2
3
4
5
6
7
SwL
L
N
E
L
N
E
ATAG iR-Series
10.1 Electrical diagram

Related product manuals