EasyManua.ls Logo

Atlantic WOYA080KLT - Basic Hydraulic Layout

Atlantic WOYA080KLT
84 pages
Print Icon
To Next Page IconTo Next Page
To Next Page IconTo Next Page
To Previous Page IconTo Previous Page
To Previous Page IconTo Previous Page
Loading...
- 72 -
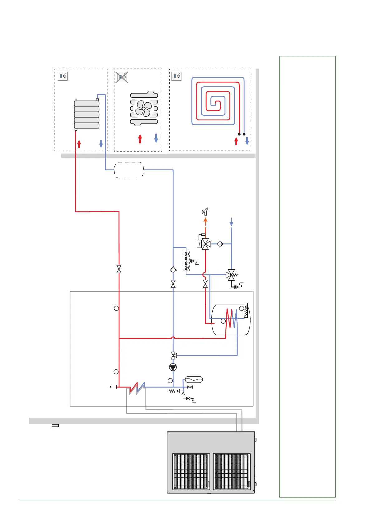
Basic Hydraulic Layout
1 heating circuit
SE
Ssa
Sae
AE
SR
VE
C
VD
GS
MT
CAR
CAR
SDp
Pg
SaeC
SSe
D
R
OU
PC
SA
SA
Rdyn*
OU
SA*
BT *
Key:
AE - Electrical backup
BT* - Bu er tank (depending on water volume:
see
page 31)
CAR - Non-return valve
C - HP circulation pump
CCM - Mixed circuit circulation pump
D - Shut-o
GS - Safety valve (mandatory)
MT - Thermostatic mixing valve
PC - Under oor heating system
Pg - Bleeder valve
R - Radiators
SA - Room sensor (optional)
Sae - DHW electrical backup safety thermostat
SaeC - Safety thermostat (heating backup
option)
SDp - HP ow sensor
SE - Outside sensor
SR - Return sensor
Ssa - DHW sensor
SSe - Safety valve
VD - Distribution valve
VE - Expansion vessel
Alfea Extensa A.I. R32 / INSTALLATION / 2114 - EN

Table of Contents

Other manuals for Atlantic WOYA080KLT

Related product manuals