EasyManua.ls Logo

Atmel SAMA5D3 EK Series - Page 37

Atmel SAMA5D3 EK Series
123 pages
Print Icon
To Next Page IconTo Next Page
To Next Page IconTo Next Page
To Previous Page IconTo Previous Page
To Previous Page IconTo Previous Page
Loading...
5
5
4
4
3
3
2
2
1
1
D D
C C
B B
A A
TDO
NTRST
NRST
SHDN
WKUP
TDO
NRST
WKUP
SHDN
NTRST
TDI
TMS
TCK
PWR_EN
PWR_EN
TCK
TDI
TMS
VCC_3V3
ADVREF
VDDIOP1
VDDIOP0
VDDBU
VDDBU
VDDIOP0
VDDBU
VDDIOM
VDDIOP0
VCC_3V3
VCC_1V2
VCC_1V2
VCC_3V3VDDOSC
VDDOSC
FUSE_2V5 VCC_3V3
VDDANA
VDDPLLA
GNDUTMI
GNDUTMI
GNDUTMI
VCC_3V3
FUSE_2V5
GNDUTMI
VDDIODDR VCC_3V3
VCC_3V3
VCC_3V3
VCC_1V2
VCC_3V3
VCC_3V3
HHSDMB{7}
HHSDPB{7}
HHSDMC{7}
HHSDPC{7}
DIBP{7}
DIBN{7}
HHSDMA{7}
HHSDPA{7}
TMS{7}
TCK{7}
TDO{7}
NRST{3,6,7}
JTAGSEL{7}
TDI{7}
NTRST{7}
BMS{7}
WKUP{7}
SHDN{7}
PWR_EN
{7}
REV DATEMODIF. DES.
DATE
VER.
SCALE
1/1
REV. SHEET
This agreement is our property. Reproduction and publication without our written authorization shall expose offender to legal proceedings.
A
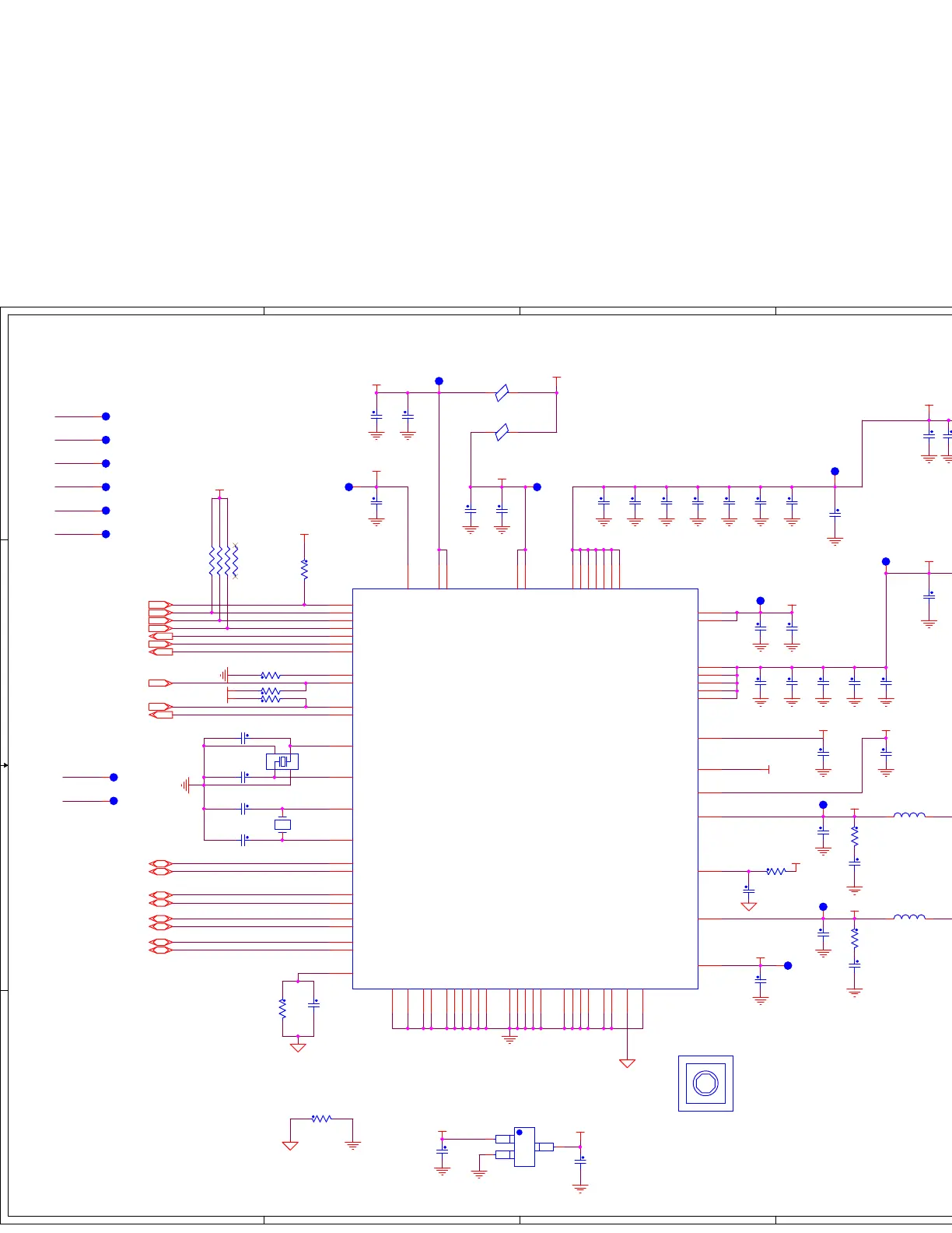
SAMA5D3x-CM
B
C
D
2
7
E
12-Nov-11CS CW
SAMA5D3x-I&POWER
11-Nov-11
1-Feb-12CS CW 3-Feb-12
CS 15-Mar-12 CW 16-Mar-12
28-Sep-12CS
CW 30-Sep-12
CWE 15-Apr-13
REV DATEMODIF. DES.
DATE
VER.
SCALE
1/1
REV. SHEET
This agreement is our property. Reproduction and publication without our written authorization shall expose offender to legal proceedings.
A
SAMA5D3x-CM
B
C
D
2
7
E
12-Nov-11CS CW
SAMA5D3x-I&POWER
11-Nov-11
1-Feb-12CS CW 3-Feb-12
CS 15-Mar-12 CW 16-Mar-12
28-Sep-12CS
CW 30-Sep-12
CWE 15-Apr-13
REV DATEMODIF. DES.
DATE
VER.
SCALE
1/1
REV. SHEET
This agreement is our property. Reproduction and publication without our written authorization shall expose offender to legal proceedings.
A
SAMA5D3x-CM
B
C
D
2
7
E
12-Nov-11CS CW
SAMA5D3x-I&POWER
11-Nov-11
1-Feb-12CS CW 3-Feb-12
CS 15-Mar-12 CW 16-Mar-12
28-Sep-12CS
CW 30-Sep-12
CWE 15-Apr-13
TP11
SMD
SUP1
CA89405MF
DNP
C80
100nF
C8 20pF
TP10
SMD
C16
100nF
TP16
SMD
TP5
SMD
C60
100nF
TP2
SMD
R16 0R
R27
100K 1%
C82
100nF
TP8
SMD
MN8 RT9018B-18GSP
NC
5
EN
2
ADJ
7
VOUT
6
VIN
3
GND(PAD)
9
GND
8
VDD
4
PGOOD
1
Y2
12MHz
1
23
4
C110
4.7uF
C46
100nF
TP18
SMD
C63
100nF
R25
1R
TP4
SMD
C4
100nF
C3
100nF
R33
DNP
R15 10K
L12
180ohm at 100MHz
1 2
C48
100nF
TP17
SMD
MN4H
ATSAMA5D3x-CU
GNDCORE_1
A16
VDDCORE_1
C5
VDDCORE_2
C7
GNDCORE_2
C9
VDDIODDR_1
D13
VDDCORE_3
D14
GNDIODDR_1
E14
GNDIODDR_2
F10
GNDIODDR_3
F13
VDDIODDR_2
F14
GNDIODDR_4
F15
VDDIOP0_1
G7
VDDIODDR_3
G10
VDDIODDR_4
G13
VDDIODDR_5
H11
GNDIODDR_5
H14
GNDIOP_1
J7
GNDIOM_1
J11
GNDANA
L4
ADVREF
L5
VDDANA
L6
VDDIOP1_1
L11
VDDIOP1_2
M4
TDO
M11
TMS
N10
GNDIOP_2
N11
GNDCORE_3
N13
GNDFUSE
P4
TCK
P9
GNDPLL
P10
NTRST
P11
GNDUTMI_1
R12
VDDFUSE
R3
TDI
R8
VDDPLLA
R10
VBG
R11
VDDIOM_1
P12
VDDCORE_4
T7
GNDCORE_4
T8
JTAGSEL
T9
WKUP
T10
GNDOSC
T11
SHDN
T12
GNDBU
T13
GNDCORE_5
T14
VDDCORE_5
T15
VDDIOM_2
T16
GNDIOM_2
T17
GNDIOP_3
U7
XIN
U8
BMS
U9
VDDOSC
U11
VDDUTMII
U13
TST
U15
XIN32
U16
VDDCORE_6
U17
VDDCORE_7
V7
XOUT
V8
NRST
V9
VDDIOP0_2
V11
VDDUTMIC
V13
VDDBU
V15
XOUT32
V16
GNDCORE_6
V17
GNDIOP_4
E5
HHSDMA
V10
HHSDPA
U10
HHSDMC
V14
HHSDPC
U14
HHSDPB
U12
HHSDMB
V12
DIBN
U6
DIBP
V6
C100
4.7uF
C2
4.7uF
MN11
XC6206P252MR-G
Voltage Detector
Vo
2
Vss
1
Vin
3
C106
100nF
C107
1uF
C24
100nF
L10
10uH/150mA
L2
10uH/150mA
C79
100nF
L5
10uH/150mA
C91
100nF
C97
100nF
R53 100K
C14
100nF
R21
1R
R17
1R
RR4D
100K
4 5
C72
100nF
C26
10uF
TP19
SMD
C73
100nF
L62.2uH
TP3
SMD
C11 20pF
R30
100K
C89
1uF
C66
100nF
R29
47K 1%
C85
100nF
Y1 32.768 kHz
12
TP15
SMD
TP14
SMD
C5
100nF
C74
100nF
RR4C 100K
3 6
TP13
SMD
TP9
SMD
C27
10uF
C10 20pF
TP12
SMD
TP1
SMD
C17
100nF
C62
10pF
RR4B 100K
2 7
C81
100nF
C101
4.7uF
C86
100nF
C13
10uF
C15
22pF
R55 100K
L11
180ohm at 100MHz
1 2
R54
DNP
R28
200K 1%
C23
10uF
C6 20pF
MN7 RT8010GQW
NC
1
EN
2
VIN
3
LX
4
GND
5
FB
6
PAD
7
C19
10nF
C71
100nF
R52
5.62K 1%
C51
100nF
TP21
SMD
C75
100nF
R32
DNP
R31
27K 1%
C52
100nF
C54
100nF
RR4A 100K
1 8
C61
100nF
C90
100nF
R51
0R

Related product manuals