EasyManua.ls Logo

AudioArts Engineering R-55 - Page 85

Default Icon
119 pages
Print Icon
To Next Page IconTo Next Page
To Next Page IconTo Next Page
To Previous Page IconTo Previous Page
To Previous Page IconTo Previous Page
Loading...
LOCAL OFF
TB BUS
TIMER RESTART
ACNS
OUTPUTS
OM-55
Model R-55
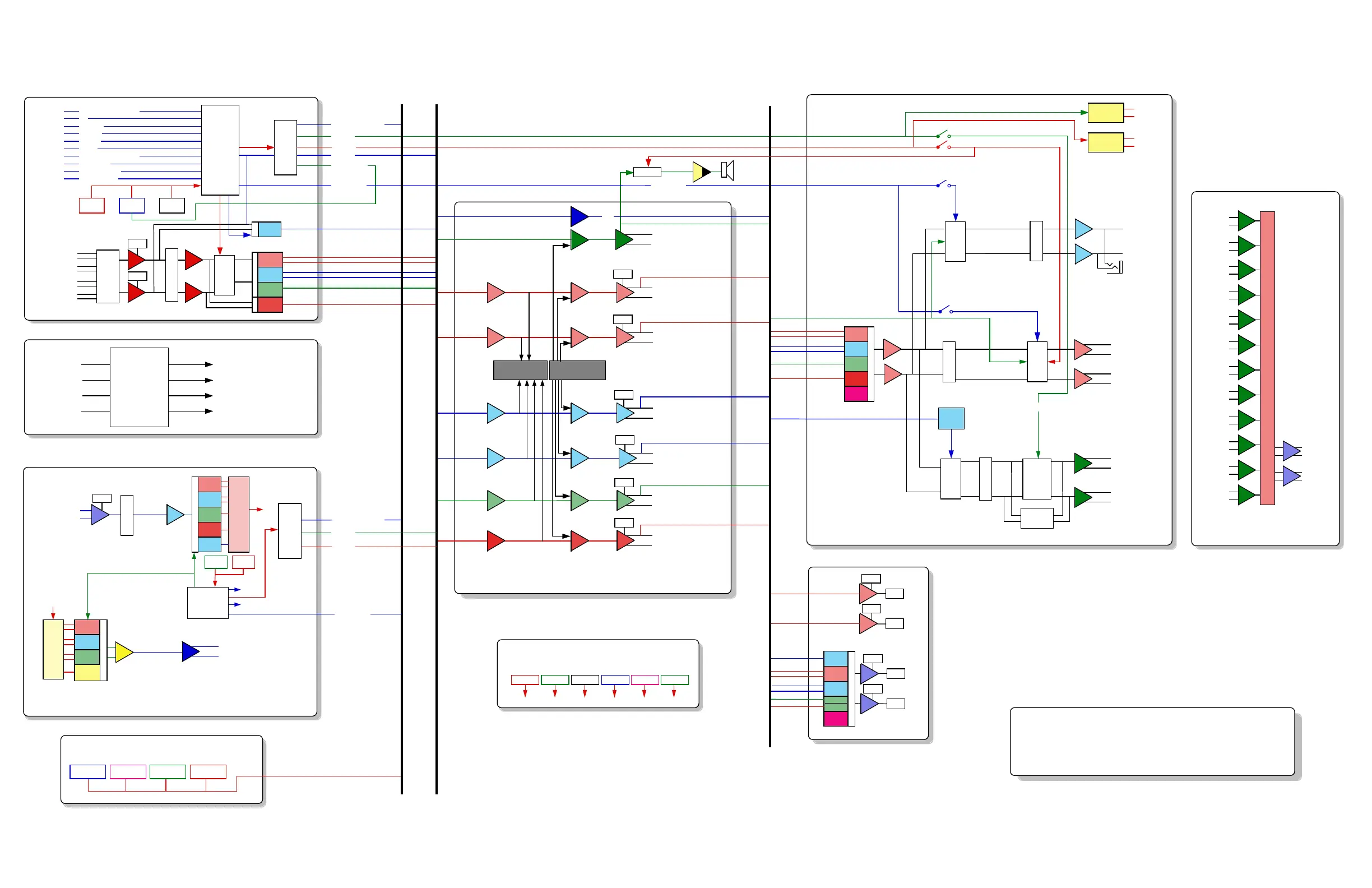
System Flow Diagram
TAPE REMOTE
RTZ FF STOP RECREW
Optional
TR/FF-55
PLAY
Mute
Pwr Amp
SPKR
A/B
TB
COUGH
MACHINE COMMON
STOP
READY
START
REMOTE OFF
REMOTE ON
ON TALLY
F
A
D
E
R
FET
LINE INPUT
A/B LOGIC FOLLOW
DIP
SW
ON CUEOFF
TRIM
TRIM
FET
SW
SEL
SL-55
ON
SW
L
R
L
R
LINE IN
LOGIC
MONO
PGM
AUD
PRE
CUE
L
R
R
L
CUE OUT
PGM OUT
TRIM
TRIM
H
L
H
L
H
L
MONO
OUT
AUD OUT
PRE OUT
TRIM
TRIM
TRIM
TRIM
R
L
H
L
H
L
H
L
H
L
AA
TB
L L
R
R
L
R
OUT
L
H
L
H
S
O
U
R
C
E
S
E
L
E
C
T
L
H
LINE 1
LINE 2
LINE 3
LINE 4
LINE 5
LINE 6
L
H
L
H
L
H
L
H
L
H
L
H
L
H
L
H
L
H
L
H
L
H
R
L
LINE SELECT
R
L
R
L
R
L
R
L
R
L
L
R
LS-55
CR MUTE
STUDIO MUTE
TALLY 1
RELAY
Cue To
HDPN
TALLY 2
RELAY
HOLDAUTO STARTRESET
TIMER
LOGIC
MONITOR
CRS-55
HDPN
CR
STUDIO
FET
FET
R
L
L
H
L
R
L
L
H
L
R
L
R
L
L
E
V
E
L
L
E
V
E
L
H
H
R
L
HDPN
JACK
PGM
MONO
AUD
PRE
CONTROL ROOM/
STUDIO
Cue To
CR
CUE LOGIC
MUTE 2
CUE LOGIC
MUTE 1
VU
SWT
VU
TRIM
TRIM
VU
PRE
MONO
AUD
EXT
CUE
PGM
VU
VU
TRIM
TRIM
PGM
L
R
L
R
R
R
A
B
L
L
page 11 - 2
R-55 / Feb 2004
EXT
L
E
V
E
L
FET
MUTE
MUTE
SW
TB
FET
SW
TB
TRIM
DIM
DIPSW
MIC 1
MIC 4
MIC PREAMP
TO LINE INPUT
CHANNEL
SUM
TO
CALLER
MONO
PGM
PRE
MONO
PGM
AUD
PRE
PRE
MONO
PGM
AUD
FROM
AA
TO
BB
AUD
L
R
SUPERPHONE
Optional
START
STOP
ON
OFF
R
F
A
D
E
R
FROM
CALLER
H
L
CUE
CUE
H
L
SPN-55
PRE
MONO
PGM
AUD
DIP
SW
MUTE 1
MUTE 2
CUE LOGIC
LOGIC
TIMER RESTART
QMP-4
TO PHONE
MODULE
AA
FROM PHONE
MODULE
BB
AA
PREAMP
MIC 2
MIC 3
TRIM
(MONO)

Table of Contents

Related product manuals