EasyManua.ls Logo

AudioArts Engineering R-55 - Page 86

Default Icon
119 pages
Print Icon
To Next Page IconTo Next Page
To Next Page IconTo Next Page
To Previous Page IconTo Previous Page
To Previous Page IconTo Previous Page
Loading...
AGND
10K 10K 10K 10K
AGND
AGNDAGND
AGND
10K 10K 10K 10K
AGND
AGNDAGND
AGND
AGND
AGND
AGND
4053
X_Y
INH
S
X
Y
4053
X_Y
INH
S
X
Y
AGND
GND
AGND
AGND
AGND
AGND
AGND
AGND
AGND
AGND
4053
X_Y
INH
S
X
Y
4053
X_Y
INH
S
X
Y
4053
X_Y
INH
S
X
Y
4053
X_Y
INH
S
X
Y
4053
X_Y
INH
S
X
Y
4053
X_Y
INH
S
X
Y
4053
X_Y
INH
S
X
Y
4053
X_Y
INH
S
X
Y
AGND
4053
X_Y
INH
S
X
Y
GND
4053
X_Y
INH
S
X
Y
V+
V-
V+
V-
V+
V-
V+
V-
R-55/Mar 2003
page 11 - 3
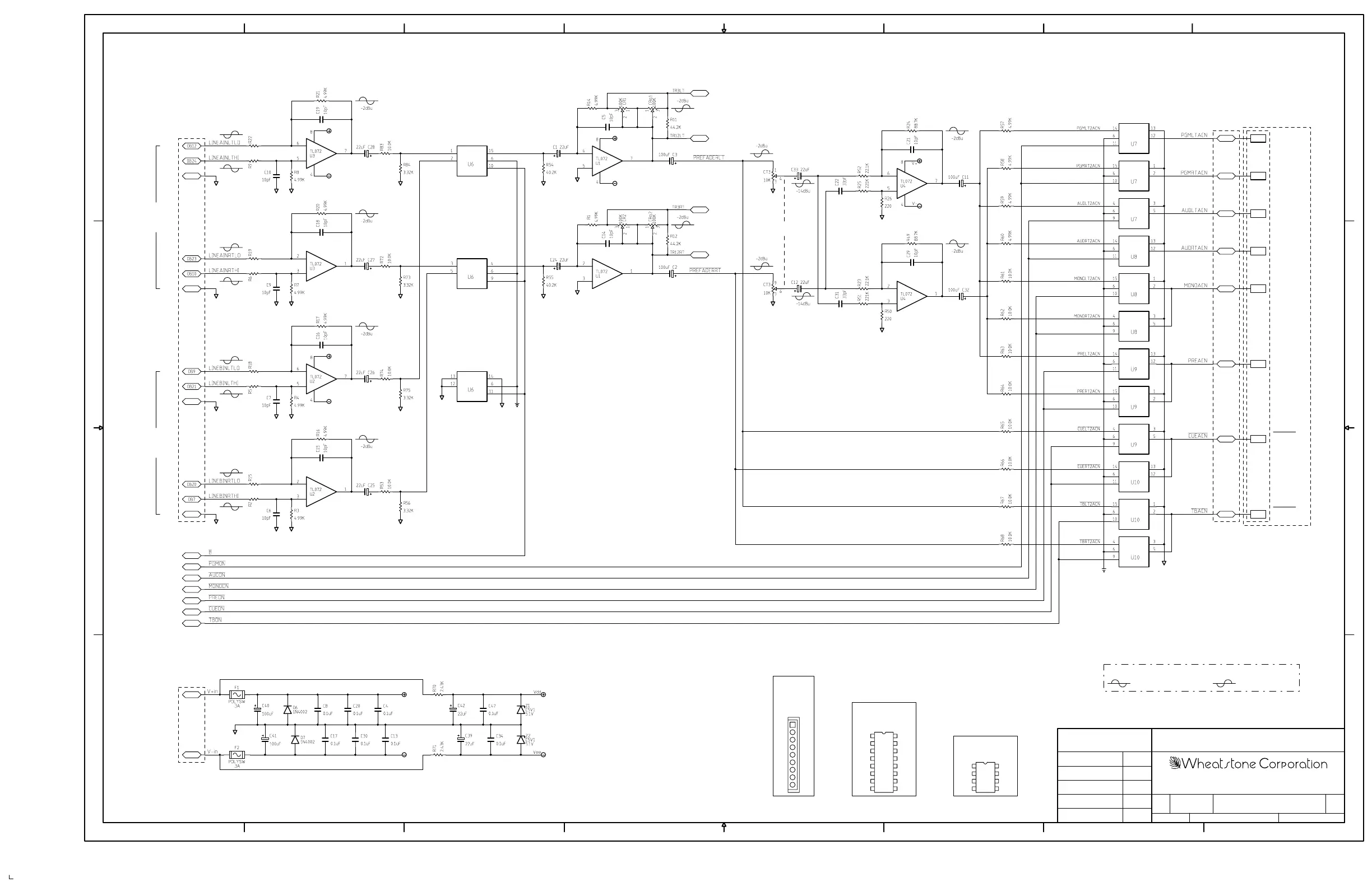
SL-55 Stereo Line Input Module Schematic - Sheet 1 of 3
SA
SA
SA
W# 700656
SL-55
4-24-02
SL-2000 PCB
16S0018
1 OF 3
CHECKED
ISSUED
DRAWN
CONTRACT NO.
APPROVALS DATE
SCALE SHEET
D
REVDWG. NO.FSCM NO.SIZE
87654321
12345678
A
B
C
D D
C
B
A
-
600 Industrial Drive
New Bern, NC 28562
AGND
AGND
AGND
AGND
4053
X_Y
INH
S
X
Y
4053
X_Y
INH
S
X
Y
4053
X_Y
INH
S
X
Y
AGND
AGND
-
+
+
-
V+V-
-
+
+
-
V+V-
-
+
+
-
V+V-
-
+
+
-
V+V-
25
23
19
15
11
9
5
3
LO
HI
LO
HI
SH
DB11
DB25
SH
LO
HI
LO
HI
DB8
SH
SH
DB22
9 PIN JST
CONNECTOR
PINOUT
VIEWED FROM
ABOVE
(COMPONENT
SIDE)
7
8
9
1
2
3
4
5
6
74VHC4053
IC PINOUT
VIEWED FROM ABOVE
(COMPONENT SIDE)
C
B
A
VDD
X_Yb
Yc
Xc
X_Yc
INH
VEE
VSS
Xa
X_Ya
Ya
Xb
Yb
9
10
11
12
13
14
15
16
8
7
6
5
4
3
2
1
NE5532 IC PINOUT
VIEWED FROM ABOVE
(COMPONENT SIDE)
8
7
6
5
1
2
3
4
OUT
IN+
IN-
V+OUT
IN+
IN-
V-
+4dBu BAL
+4dBu BAL
+4dBu BAL
+4dBu BAL
**
**
PGM LT
ACN
PGM RT
ACN
AUD RT
ACN
AUD LT
ACN
MONO
ACN
PRE
ACN
CUE
ACN
TB
ACN
OUT OF PHASE
NOTE: PHASE SYMBOLS DENOTE SIGNAL POLARITY
IN PHASE
FADER
LINE
A IN
LINE
B IN
-Vin
+Vin
LT
GAIN
TRIM
RT
GAIN
TRIM
NOT
INSTALLED
NOT
INSTALLED
NOT INSTALLED
NOT INSTALLED
INSTALL ONE TRIM ONLY
INSTALL ONE TRIM ONLY

Table of Contents

Related product manuals