EasyManua.ls Logo

AudioArts Engineering R-55 - Page 98

Default Icon
119 pages
Print Icon
To Next Page IconTo Next Page
To Next Page IconTo Next Page
To Previous Page IconTo Previous Page
To Previous Page IconTo Previous Page
Loading...
Y
X
S
INH
X_Y
Y
X
S
INH
X_Y
AGND
Y
X
S
INH
X_Y
Y
X
S
INH
X_Y
Y
X
S
INH
X_Y
Y
X
S
INH
X_Y
Y
X
S
INH
X_Y
Y
X
S
INH
X_Y
Y
X
S
INH
X_Y
Y
X
S
INH
X_Y
VIEWED FROM
ABOVE
(COMPONENT
SIDE)
9 PIN JST
CONNECTOR
PINOUT
6
5
4
3
2
1
9
8
7
VIEWED FROM ABOVE
(COMPONENT SIDE)
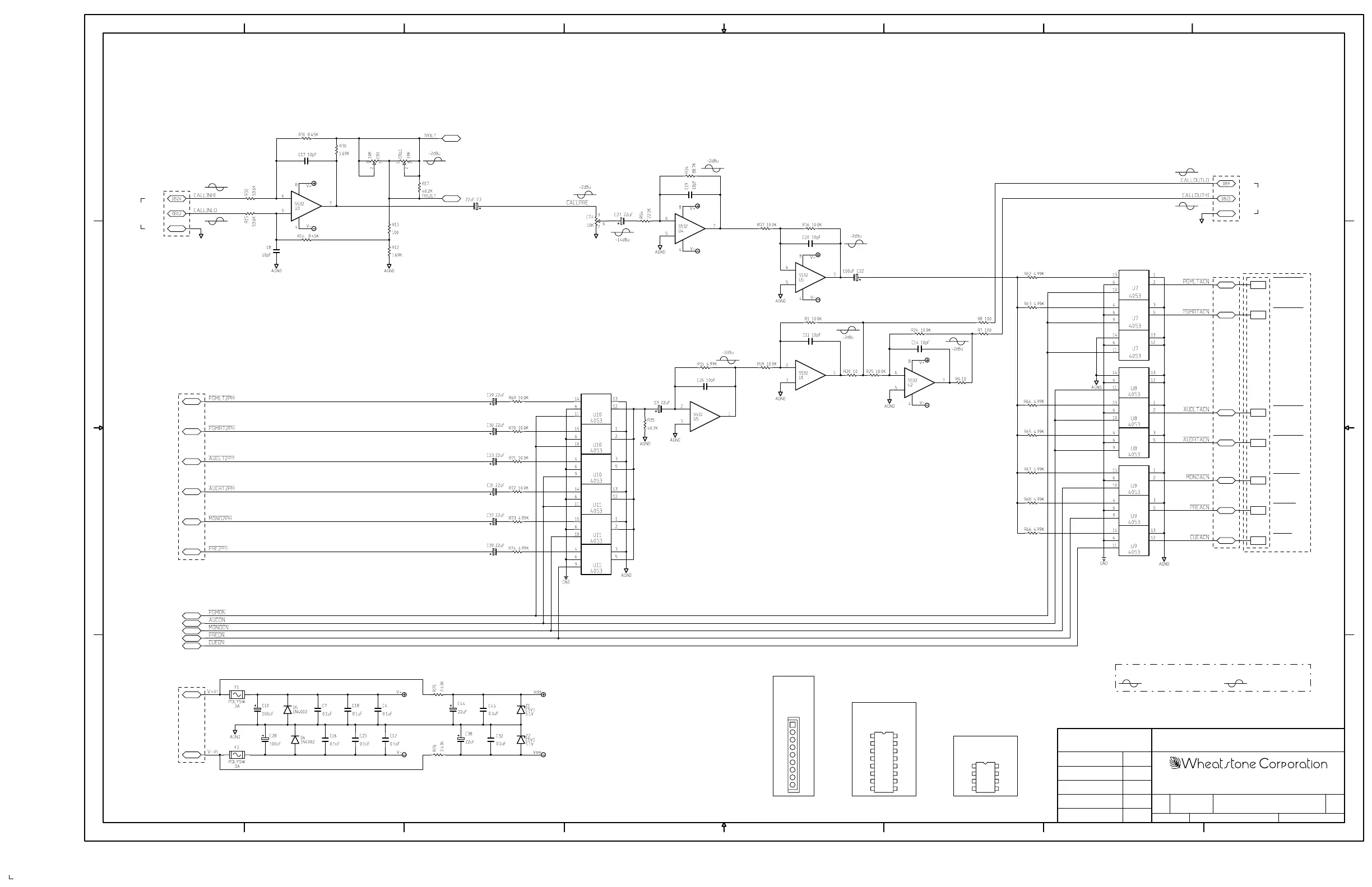
74VHC4053
IC PINOUT
C
B
A
VDD
X_Yb
Yc
Xc
X_Yc
INH
VEE
VSS
Xa
X_Ya
Ya
Xb
Yb
9
10
11
12
13
14
15
16
8
7
6
5
4
3
2
1
VIEWED FROM ABOVE
(COMPONENT SIDE)
NE5532 IC PINOUT
8
7
6
5
1
2
3
4
OUT
IN+
IN-
V+OUT
IN+
IN-
V-
Y
X
S
INH
X_Y
Y
X
S
INH
X_Y
R-55/Apr 2003
1 OF 3
16S0020
SPN-2000 PCB
9-18-01
SPN-55
W# 700657
SA
SA
SA
SPN-55 Superphone Module Schematic - Sheet 1 of 3
page 11 - 15
-
A
B
C
DD
C
B
A
87654321
12345678
SIZE FSCM NO. DWG. NO. REV
D
SHEETSCALE
DATEAPPROVALS
CONTRACT NO.
DRAWN
ISSUED
CHECKED
New Bern, NC 28562
600 Industrial Drive
AGND
AGND
Y
X
S
INH
X_Y
Y
X
S
INH
X_Y
Y
X
S
INH
X_Y
V- V+
-
+
V- V+
-
+
+
-
V- V+
-
+
23
17
10
11
9
5
3
LO
HI
LO
HI
DB22
SH
+
-
V- V+
-
+
SH
DB25
+4dBu BAL
+4dBu BAL
FADER
CALL
CALL
GAIN
TRIM
+Vin
-Vin
CALL
IN
IN PHASE
NOTE: PHASE SYMBOLS DENOTE SIGNAL POLARITY
OUT OF PHASE
CUE
ACN
PRE
ACN
MONO
ACN
AUD LT
ACN
AUD RT
ACN
PGM RT
ACN
PGM LT
ACN
INSTALL ONE TRIM ONLY
*
CALL
OUT
NOT INSTALLED

Table of Contents

Related product manuals