EasyManua.ls Logo

AudioArts Engineering R-55 - Page 99

Default Icon
119 pages
Print Icon
To Next Page IconTo Next Page
To Next Page IconTo Next Page
To Previous Page IconTo Previous Page
To Previous Page IconTo Previous Page
Loading...
VCC
1
6
5
4
3
2
1
6
5
4
3
2
7400ACT
IC PINOUT
VIEWED FROM ABOVE
(COMPONENT SIDE)
VSS
I1a
I2a
Oa
I1b
I2b
Ob
Oc
I1c
I2c
Od
I1d
I2d
VCC
7
6
5
4
3
2
114
13
12
11
10
9
8
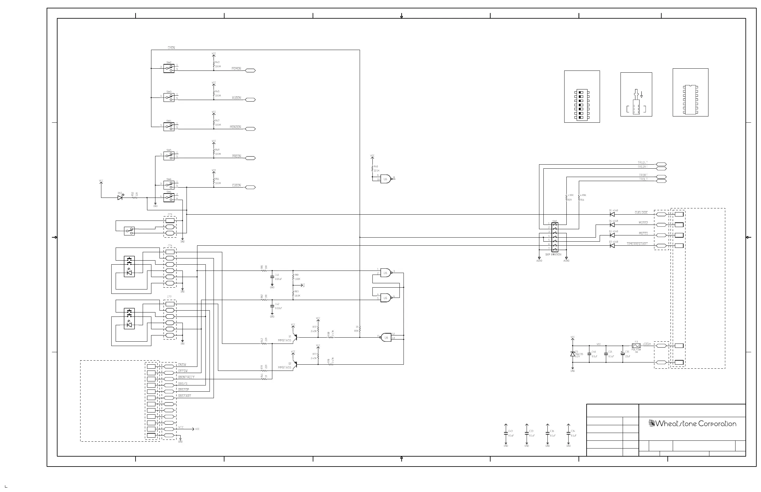
2 OF 3
16S0021
SPN-2000 PCB
9-18-01
SPN-55
W# 700657
SA
SA
SA
SPN-55 Superphone Module Schematic - Sheet 2 of 3
page 11 - 16
R-55/Apr 2003
-
A
B
C
DD
C
B
A
87654321
12345678
SIZE FSCM NO. DWG. NO. REV
D
SHEETSCALE
DATEAPPROVALS
CONTRACT NO.
DRAWN
ISSUED
CHECKED
New Bern, NC 28562
600 Industrial Drive
29
31
32
30
58
55
74ACT00
74ACT00
74ACT00
74ACT00
VCC VCC VCC
3
2
1
7 POSITION
DIPSWITCH
PINOUT
VIEWED FROM ABOVE
(COMPONENT SIDE)
1
2
3
4
5
6
78
9
10
11
12
13
14
ON
ON
ON
ON
ON
ON
ON
1
2
3
4
5
6
7
VIEWED FROM ABOVE
(COMPONENT SIDE)
TYPICAL 2 POLE
SWITCH PINOUT
AB
NO
NC
NC
NO
3
1
56
4
2
14
16
15
5
4
3
2
1
17
6
18
19
NOT INSTALLED
NOT INSTALLED
62 PIN
EDGE
CONNECTOR
CUE LOGIC~
TIMER RESTART~
MUTE2~
MUTE1~
DIG.COM.
+DIG
"ON"SW
"OFF"SW
ON
SW
OFF
SW
PGM
SW
AUD
SW
MONO
SW
PRE
SW
CUE
SW
DIGITAL COMMON
+5V
START
STOP
ON TALLY
MACHINE COMMON
REMOTE OFF
REMOTE ON
"CUE" SW
FDR
CUE SW

Table of Contents

Related product manuals