EasyManua.ls Logo

AUMA SEVEN 2SA7 - Page 11

AUMA SEVEN 2SA7
28 pages
Print Icon
To Next Page IconTo Next Page
To Next Page IconTo Next Page
To Previous Page IconTo Previous Page
To Previous Page IconTo Previous Page
Loading...
Electric Rotary Actuators 2SA7
Technical Data
Y070.304/EN Page 11
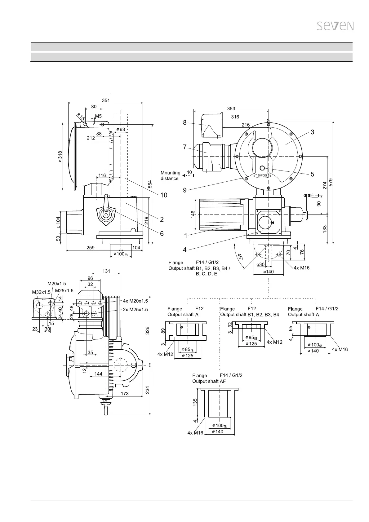
Dimensional drawing 2SA704.-.D, 2SA704.-.E, 2SA734.-.D, 2SA734.-.E, R866853
2SA754.-.D
1 Motor 4 Signaling gear 7 Field bus connection
2 Gear unit 5 Local control station 8 Plug connection
3 Electronics unit 6 Hand crank 9 USB interface (only PROFITRON)
10 Spindle protection tube (for length, see catalog)

Related product manuals