EasyManua.ls Logo

AUMA SEVEN 2SA7 - Page 12

AUMA SEVEN 2SA7
28 pages
Print Icon
To Next Page IconTo Next Page
To Next Page IconTo Next Page
To Previous Page IconTo Previous Page
To Previous Page IconTo Previous Page
Loading...
Electric Rotary Actuators 2SA7
Technical Data
Page 12 Y070.304/EN
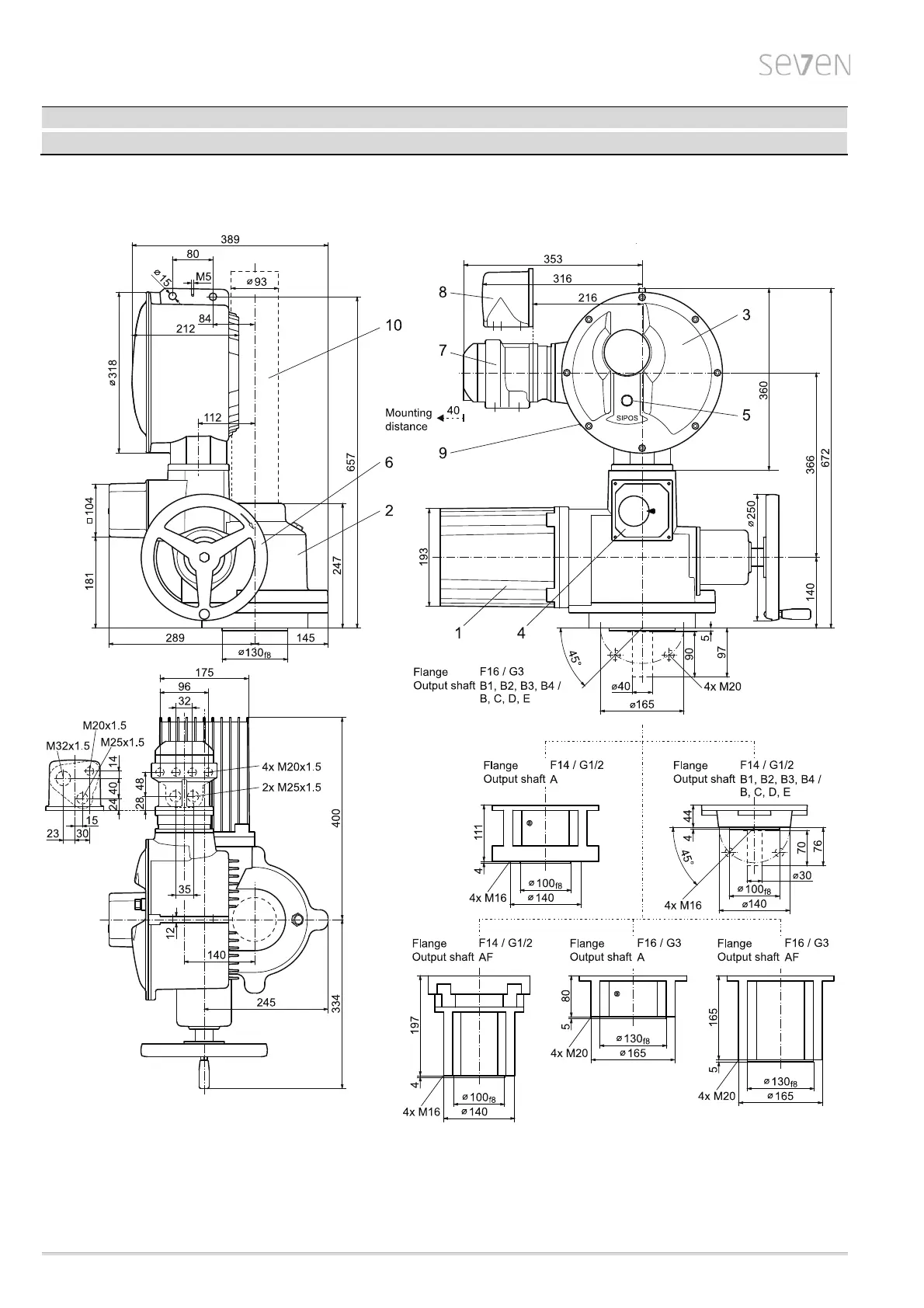
Dimensional drawing 2SA705., 2SA706., 2SA735., 2SA736., R866854
2SA755., 2SA756.
1 Motor 4 Signaling gear 7 Field bus connection
2 Gear unit 5 Local control station 8 Plug connection
3 Electronics unit 6 Hand wheel 9 USB interface (only PROFITRON)
10 Spindle protection tube (for length, see catalog)

Related product manuals