EasyManua.ls Logo

AUMA SEVEN 2SA7 - Page 13

AUMA SEVEN 2SA7
28 pages
Print Icon
To Next Page IconTo Next Page
To Next Page IconTo Next Page
To Previous Page IconTo Previous Page
To Previous Page IconTo Previous Page
Loading...
Electric Rotary Actuators 2SA7
Technical Data
Y070.304/EN Page 13
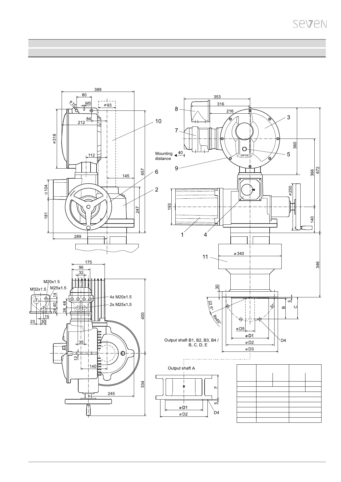
Dimensional drawing 2SA707., 2SA708., 2SA737., 2SA738., R866855
2SA757., 2SA758.
2SA7.7. 2SA7.8.
F25 G4 F30 G5
ø D1 200
f8
160
f8
230
f8
180
f8
ø D2 254 298 300
ø D3 300 350
D4 8 x M16 8 x M20
ø D5 50 60
B 110 120
C 117 127
F 130 199
1 Motor 5 Local control station 9 USB interface (only PROFITRON)
2 Gear unit 6 Hand wheel 10 Spindle protection tube (for length, see catalog)
3 Electronics unit 7 Field bus connection 11 Intermediate gear (supplied separately)
4 Signaling gear 8 Plug connection

Related product manuals