EasyManua.ls Logo

AUMA SEVEN 2SA7 - Page 9

AUMA SEVEN 2SA7
28 pages
Print Icon
To Next Page IconTo Next Page
To Next Page IconTo Next Page
To Previous Page IconTo Previous Page
To Previous Page IconTo Previous Page
Loading...
Electric Rotary Actuators 2SA7
Technical Data
Y070.304/EN Page 9
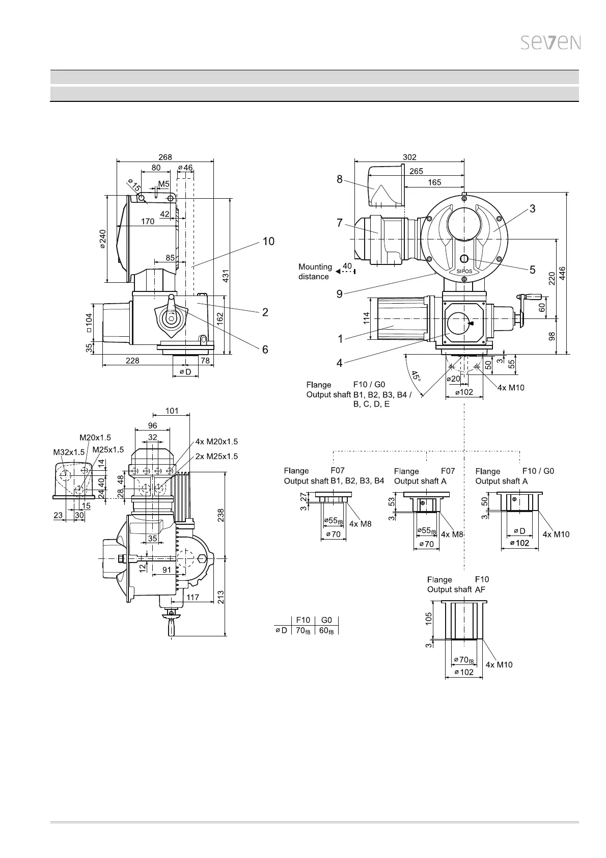
Dimensional drawing 2SA701., 2SA702., 2SA731., 2SA732., R866851
2SA751., 2SA752.
1 Motor 4 Signaling gear 7 Field bus connection
2 Gear unit 5 Local control station 8 Plug connection
3 Electronics unit 6 Hand crank 9 USB interface (only PROFITRON)
10 Spindle protection tube (for length, see catalog)

Related product manuals