EasyManua.ls Logo

Avantgarde UNO SD - Operation; Connection Safety and Wiring

Avantgarde UNO SD
23 pages
Print Icon
To Next Page IconTo Next Page
To Next Page IconTo Next Page
To Previous Page IconTo Previous Page
To Previous Page IconTo Previous Page
Loading...
14 15
SAFETYINSTALLATIONOPERATION SUBFINE TUNING
MISC
WARRANTY
OPERATION
SAFETYINSTALLATIONOPERATION SUBFINE TUNING
MISC
WARRANTY
OPERATION
SAFETY PRECAUTIONS
ON INSTALLATION
The power to all components must be switched “off (or
disconnected f rom the household AC) before making any audio
connections.
To prevent malfunction/defects, never operate components with
unassigned input sockets (unwired)!.
Control the polarity of speaker cables! Never mix up + and .
Wrong polarity will deteriorate the sound quality and can damage
amplif ier and the active power module of the subwoofer.
Do not short circuit the +/ electric poles of the speaker cables.
Use high quality cable with solid speaker plugs (spades, bananas
etc).
OPERATION
OPERATION
+ 1.5
+ 3
+ 6
WARNING
ELECTRICALSHOCK HAZARD
DO NOTOPEN!
110 240V ~ 50/60HZ
MAXPOWER CONSUMPTION 570W
POWEROUTPUT 530W RMS
FUSE 2.5A SLOW
0dB 0dB
1.5
3
6
TOTAL GAINDRIVER GAIN
MIDRESET HIGH IN
OUT
BALANCED INPUT
+ 1.5
1.5
+ 1.5
1.5
0dB
ENGAGED
FUSE
E FUSE
UNO G3 DUOG3
ITRON AMP
MADE INGERMANY
SPEAKER TYPE
MODEL NO.
ORIGIN
SERIAL NO.
only tobe usedwith markedspeaker type
WARNING
ELECTRICALSHOCK HAZARD
DO NOTOPEN!
110 240V ~ 50/60HZ
MAXPOWER CONSUMPTION 550W
POWEROUTPUT 500W RMS
FUSE 4.0A SLOW
CLIP
VOL
VOL
SIG
SERVICE USEONLY
12V DC
ENGAGED
FUSE
OUT IN
INPUT
SPEAKER LEVEL INPUT
OUTPUT
BALANCED SIGNAL
SPKR
RESET
MODE
XLR
MUTE
INPUT SELECTE FUSE
GROUND
POWER
TOGGLE
DIMMER
TRIGGER
DSP
DSP PROGRAMMING
A D
B C
SERIAL NO.
BASSAMP-G3-500
MADE INGERMANY
MODEL NO.
ORIGIN
SPEAKER TYPE
UNO SD DUOSD
only tobe usedwith markedspeaker type
SERVICE USEONLY
IN
OUT
MID
AMP SWITCH
SERIAL NO.
PASSIVECROSSOVER SWITCH
MADE INGERMANY
MODEL NO.
ORIGIN
SPEAKER TYPE
UNO G3 DUOG3
only tobe usedwith markedspeaker type
MIDHIGH MID
MID
FUSE
FUSE
PUSH
PUSH
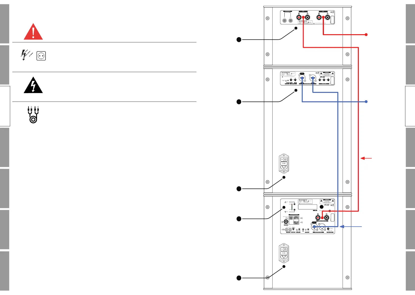
PASSIVE CROSSOVER
CONNECTION
OF EXTERNAL
POWER AMPLIFIER
SPKR BRIDGE
FOR
DSP BASS AMP
CONNECTION
OF EXTERNAL
PRE AMPLIFIER
BALANCED
BRIDGE FOR
DSP BASS AMP
11
12
13
14
15
ITRON AMPLIFIER
ITRON MAINS
DSP BASS MAINS
DSP BASS AMPLIFIER

Related product manuals