EasyManua.ls Logo

Bandit 2550 - 2550 Remote Controls Hydraulic Diagram

Bandit 2550
98 pages
Print Icon
To Next Page IconTo Next Page
To Next Page IconTo Next Page
To Previous Page IconTo Previous Page
To Previous Page IconTo Previous Page
Loading...
Bandit
88
Copyright 4/21
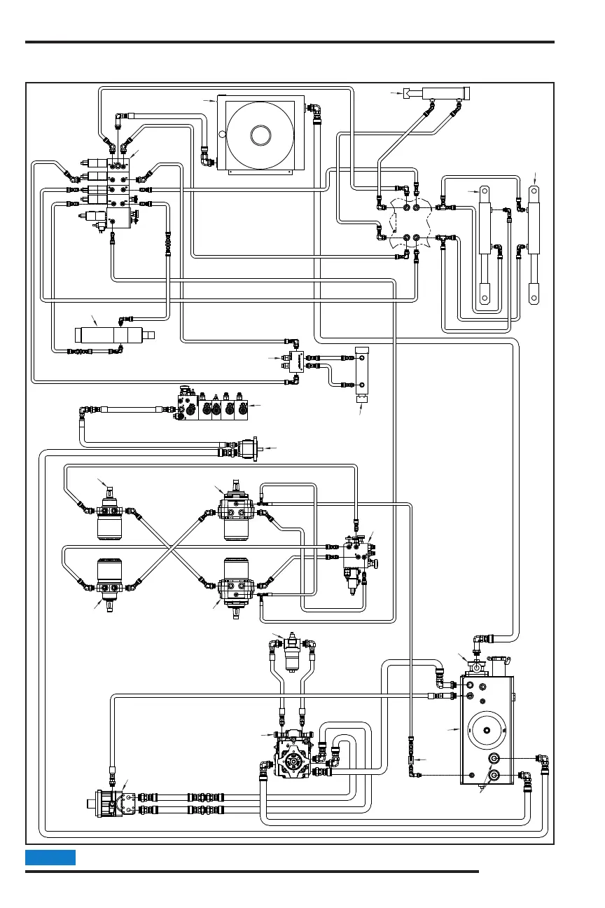
MODELS 2550/2550T
2550 - REMOTE CONTROLS
Parts may not be exactly as shown.NOTICE
HYDRAULIC DIAGRAM
9
10
13
15
15
14
9
8
11
9
6
5
4
1
3
2
7
1112
12
16
17

Related product manuals