EasyManua.ls Logo

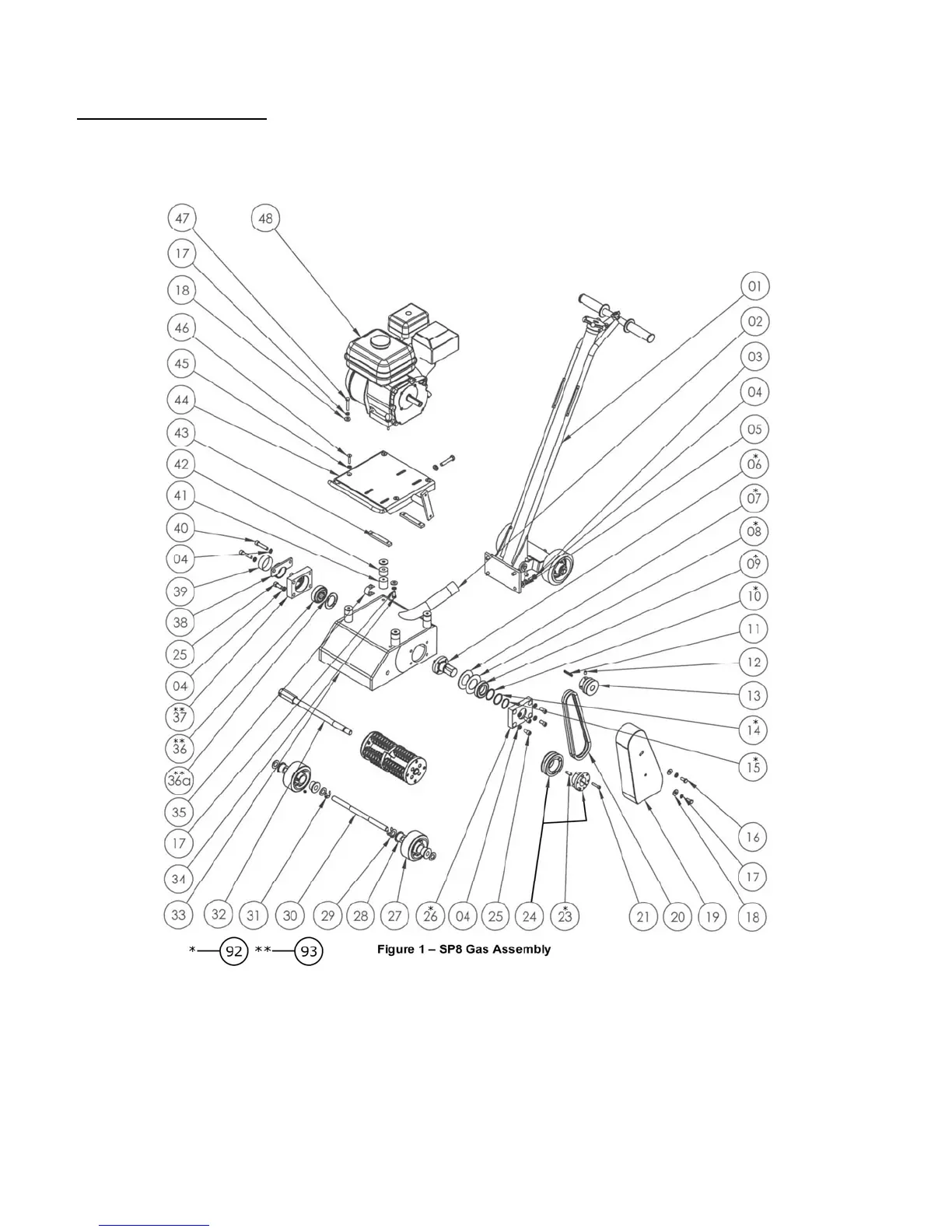
Bartell SP8 - Sp8 Gas Assembly (Figure 1)

Bartell SP8
34 pages
Print Icon
To Next Page IconTo Next Page
To Next Page IconTo Next Page
To Previous Page IconTo Previous Page
To Previous Page IconTo Previous Page
Loading...
SURFACE PREPARATION SYSTEM OWNER’S MANUAL & PARTS BOOK
BARTELL MORRISON INC. BARTELL MORRISON (USA) LLC
375 ANNAGEM BLVD, MISSISSAUGA, ONTARIO, CANADA, L5T 3A7, 905-364-4200 FAX 905-364-4201
25 INDUSTRIAL DRIVE, KEYPORT, NEW JERSEY, USA, 07735, 732-566-5400 FAX 732-566-5444
- 16 -
SP8 GAS ASSEMBLY