EasyManua.ls Logo

BCI Advisor - Page 44

BCI Advisor
58 pages
Print Icon
To Next Page IconTo Next Page
To Next Page IconTo Next Page
To Previous Page IconTo Previous Page
To Previous Page IconTo Previous Page
Loading...
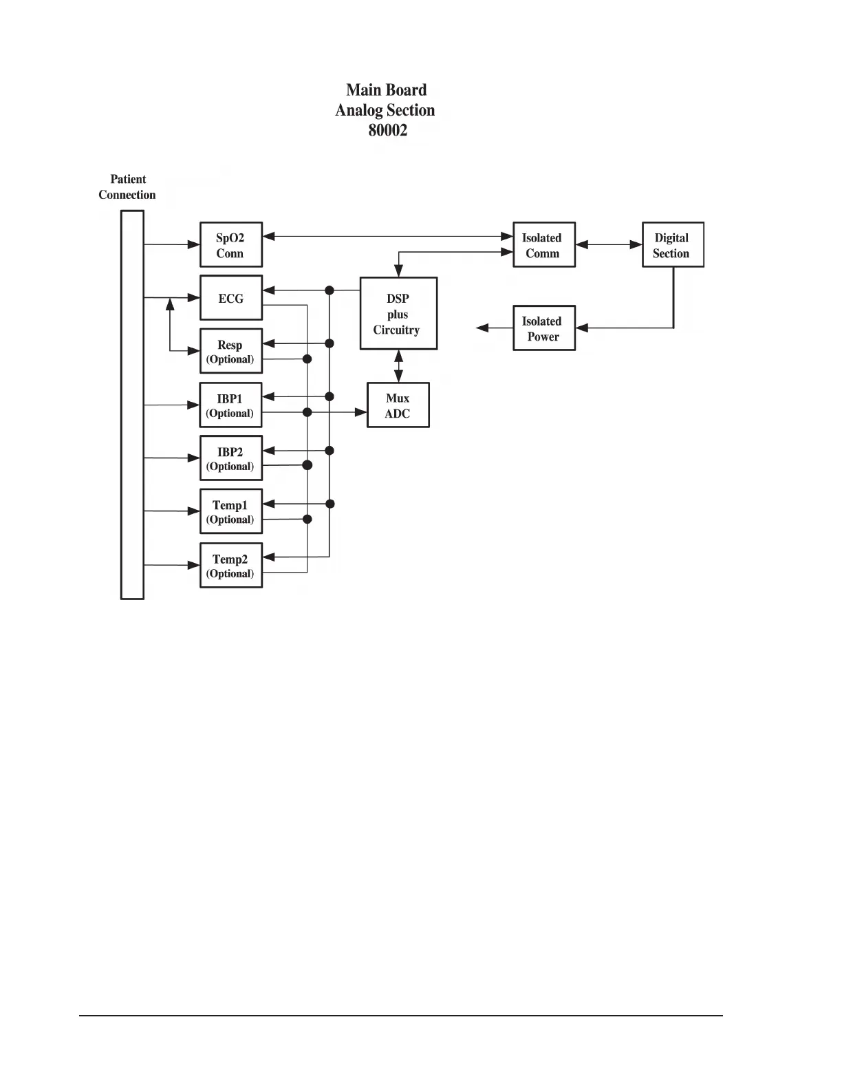
Chapter 4: Diagrams
4-2 Advisor
®
Service Manual

Table of Contents